Partiron

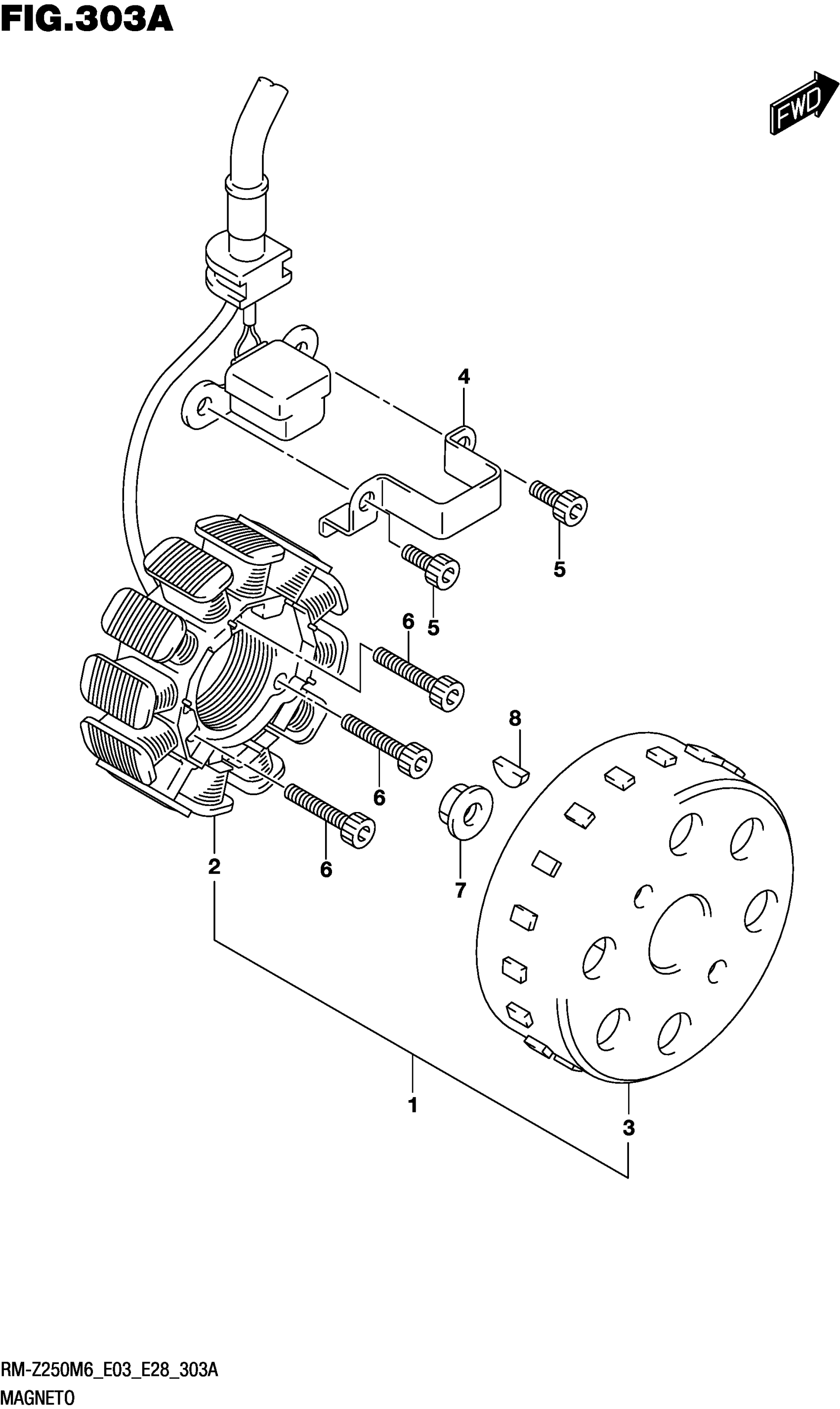
Suzuki RM-Z250M6 (2026) MAGNETO Diagram

#

Description
Price

1

MAGNETO ASSY

32100-46K01

$667.53

2

.STATOR ASSY,MAGNETO

32101-46K01

$338.75

3

.ROTOR ASSY,MAGNETO

32102-49H00

$575.82

4

CLAMP,MAGNETO LEAD

32371-35G00

Unavailable

5

BOLT

07130-0512A

$2.19

6

BOLT

07130-0525A

$2.28

7

NUT

08316-1012A

$2.26

8

KEY

09420-03010

$2.75