Partiron

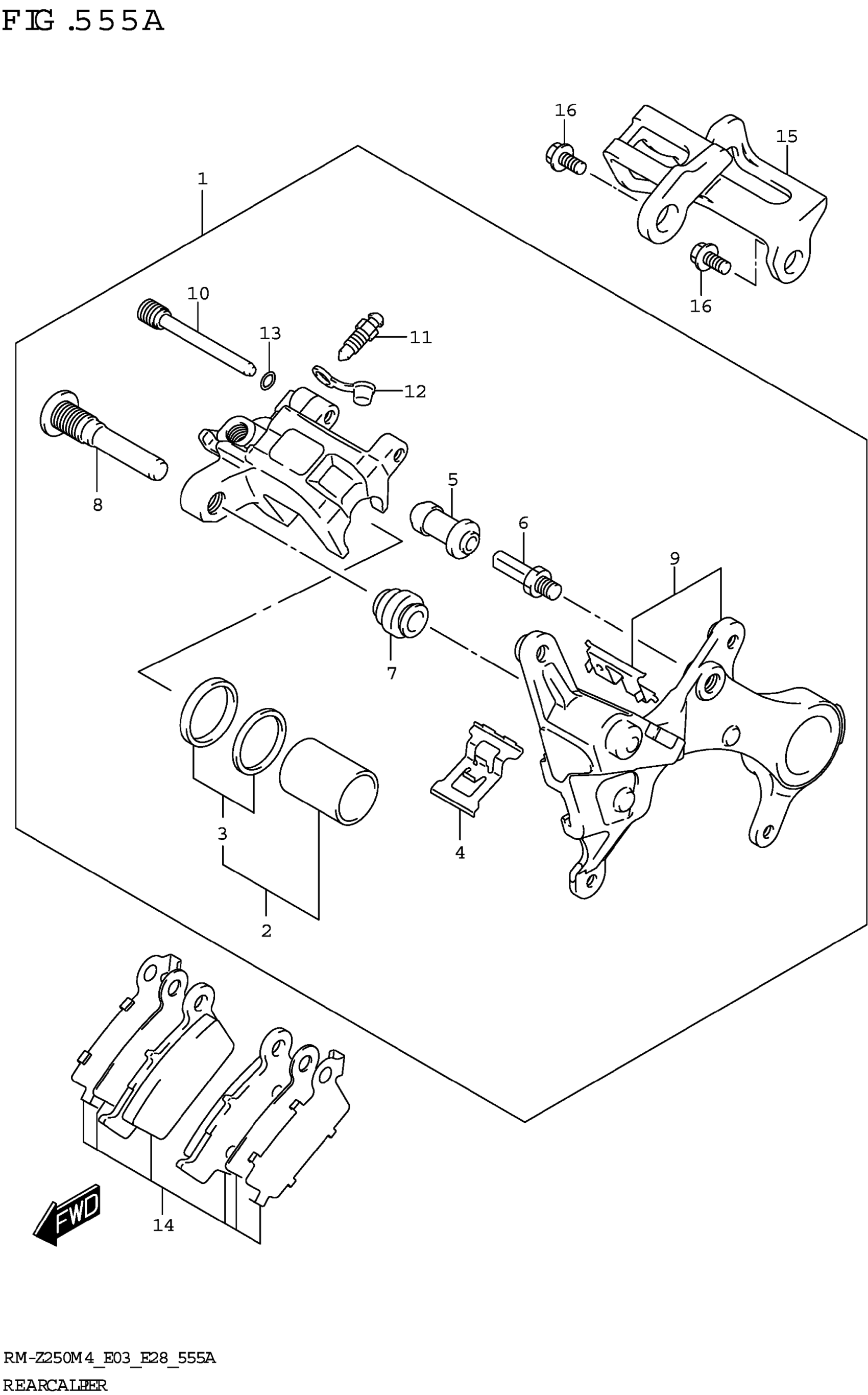
Suzuki RM-Z250M4 (2024) REAR CALIPER Diagram

#

Description
Price

1

CALIPER ASSY,RR

69100-28H01-999

$449.40

2

.PISTON SET

69100-14820

$34.53

3

..SEAL SET,PISTON

69100-21840

$13.60

4

.SPRING,PAD

69315-35G00

$11.87

5

.BOOT

59386-13A00

$7.95

6

.PIN

59382-14500

$8.95

7

.BOOT

59303-14500

$5.52

8

.PIN,BOLT

59305-36E00

$18.20

9

.BRACKET,RR CALIPER

69350-28H00

$163.13

10

.PIN,HANGER

69345-37F00

$20.70

11

.BLEEDER

59121-01A00

$8.73

12

.CAP,BLEEDER

59122-01A00

$4.34

13

.RING,STOPPER

59145-37F00

$5.58

14

PAD & SHIM SET

69100-28820

$64.77

15

GUARD,RR CALIPER

69725-37F11

$23.58

16

BOLT (6X12)

09116-06197

$2.71