- Partiron
- OEM Parts
- Suzuki
- Motorcycle
- 2024
- RM-Z250M4 (2024)
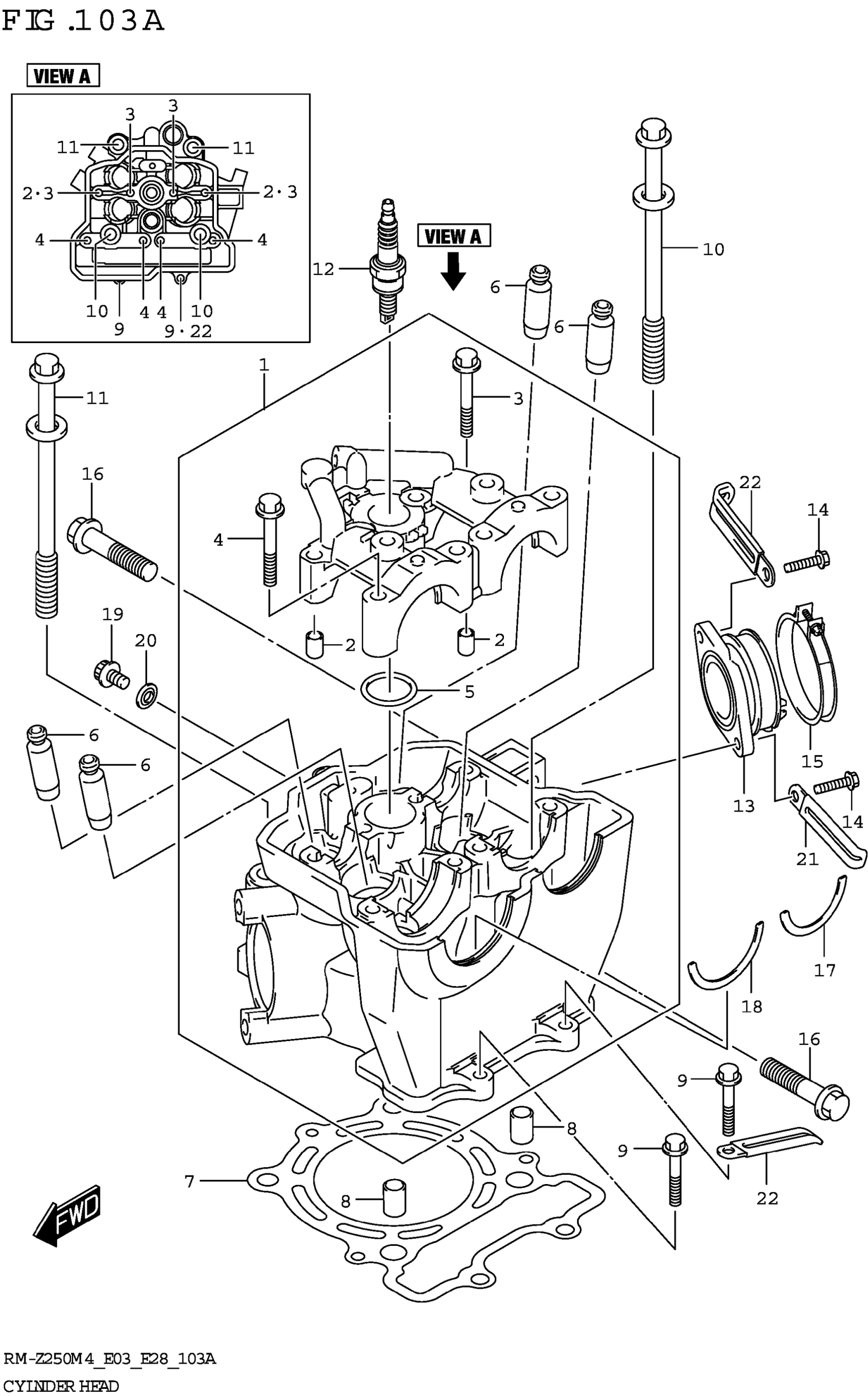
CYLINDER HEAD
Suzuki RM-Z250M4 (2024) CYLINDER HEAD Diagram
#
Description
Price
22
CLAMP (L:80)
09404-06030
Unavailable
CYLINDER HEAD
#
22
09404-06030
Unavailable
Edit ride
