Partiron

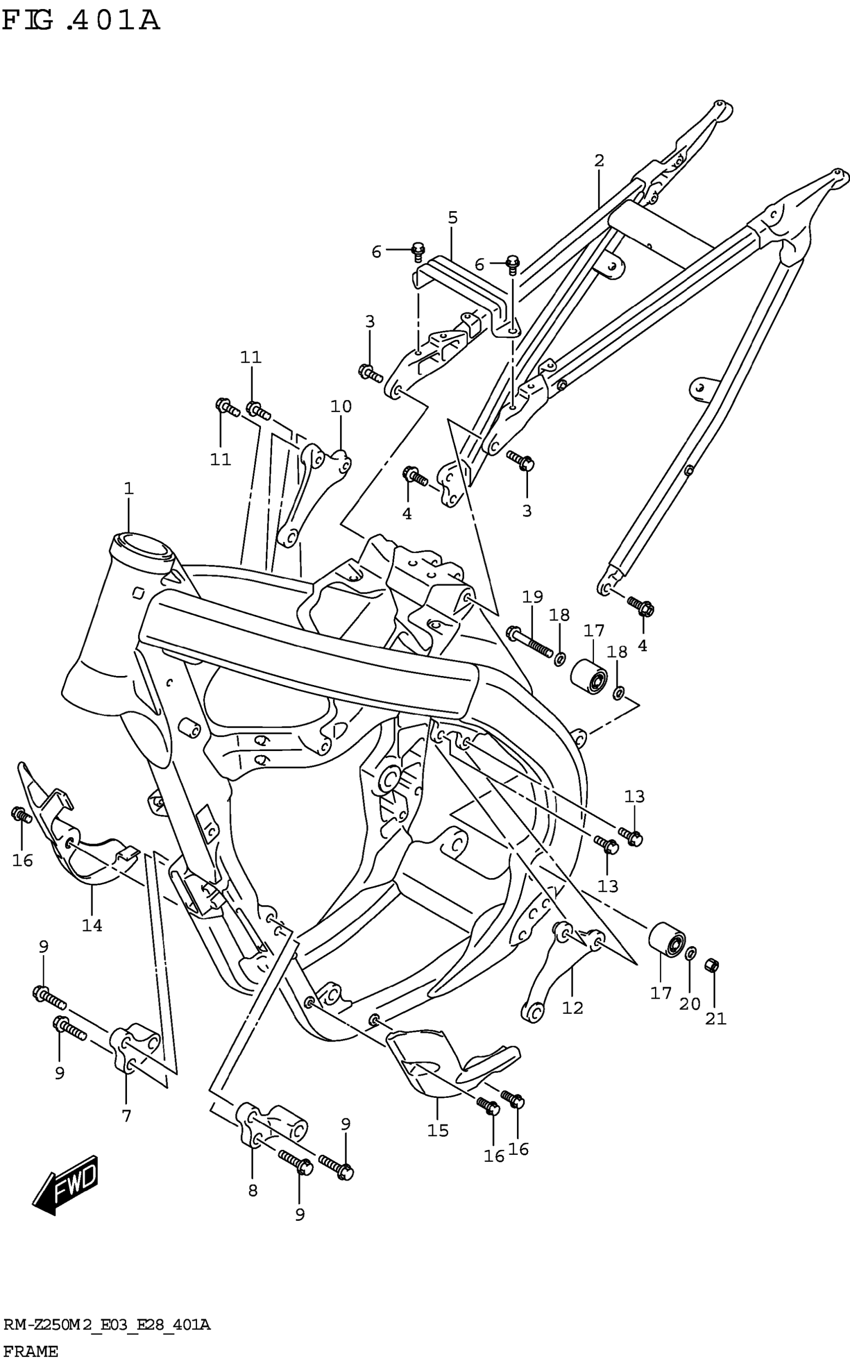
Suzuki RM-Z250M2 (2022) FRAME Diagram

#

Description
Price

1

FRAME

41100-46K00

$3,494.97

2

RAIL,SEAT

41200-37K00

$801.28

3

BOLT, HOOK This part replaces 09103-08255.

09103-08288

$4.00

4

BOLT (8X20)

09103-08505

$3.58

5

BRIDGE,SEAT RAIL UPPER

41542-46K00

$14.05

6

BOLT

01547-0616A

$2.03

7

BRACKET,ENG MTG FR RH

41911-46K00

$77.27

8

BRACKET,ENG MTG FR LH

41921-46K00

$77.27

9

BOLT (8X30)

09103-08048

$5.20

10

BRACKET,ENG MTG UPPER RH

41931-46K00

$87.97

11

BOLT, HOOK This part replaces 09103-08255.

09103-08288

$4.00

12

BRACKET,ENG MTG UPPER LH

41941-46K00

$87.97

13

BOLT (8X20)

09103-08505

$3.58

14

PROTECTOR,FRONT,R

42520-28H11

$20.15

15

PROTECTOR,FRONT,L

42530-28H20

$30.48

16

BOLT (6X25)

09116-06177

$2.50

17

ROLLER,CHAIN

43910-37F00

$70.53

18

SHIM (8X16X1)

09181-08167

$1.96

19

BOLT (8X45)

09103-08207

$2.51

20

SHIM (8X12X1)

09181-08111

$1.93

21

NUT

08319-2108A

$2.12