Partiron

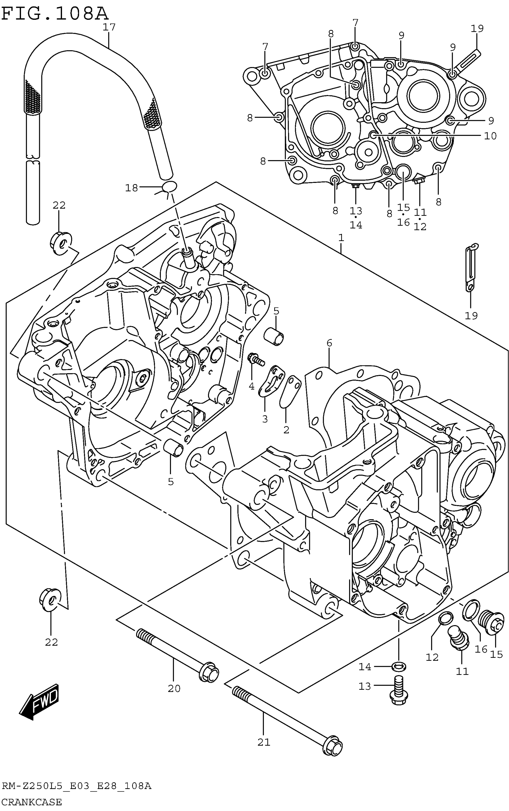
Suzuki RM-Z250L5 (2015) CRANKCASE Diagram

#

Description
Price

1

CRANKCASE SET

11301-49830

$885.38

2

VALVE, CRANKCASE REED

11322-35G00

$10.48

3

STOPPER, CRANKCASE REED VALVE

11323-35G00

$9.42

4

BOLT

07120-0512A

$2.28

5

PIN (10.4X13X18)

09206-13020

$2.34

6

GASKET, CRANKCASE

11481-49H00

$25.60

7

BOLT

01547-0640A

$2.32

8

BOLT

01547-0650A

$2.46

9

BOLT

01547-0670A

$2.92

10

BOLT

01547-0680A

$3.30

11

PLUG (12X20) | OIL DRAIN

09247-12106

$2.73

12

GASKET (12.1X16.2X3.7)

09168-12002

$1.59

13

BOLT (8X20) | OIL DRAIN

09103-08393

$2.50

14

GASKET (7.8X13.5X1.2)

09168-08034

$2.03

15

CAP, ENGINE OIL STRAINER

16316-10H01

$22.29

16

GASKET (16X22X2)

09168-16002

$1.91

17

HOSE,BREATHER This part replaces 11332-49H10.

11332-49H11

$22.38

18

CLIP

09401-13301

$2.70

19

CLAMP (L:45)

09404-06429

$1.83

20

BOLT (10X80)

09103-10448

$6.17

21

BOLT (10X120)

09103-10388

$5.78

22

NUT

09159-10122

$7.63