Partiron

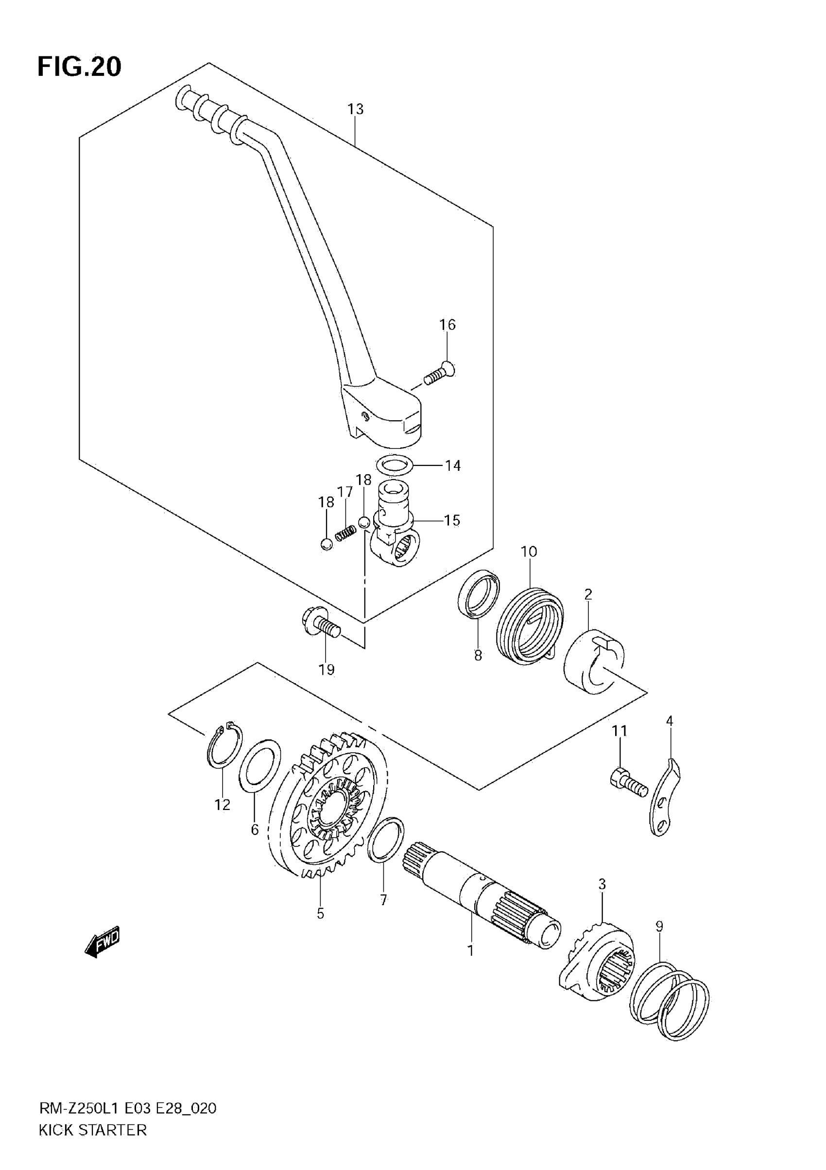
Suzuki RM-Z250L1 (2011) KICK STARTER Diagram

#

Description
Price

1

SHAFT, KICK STARTER

26211-10H00

$104.70

2

GUIDE, KICK STARTER SFT SPRING

26221-10H00

$18.43

3

STARTER, KICK

26231-10H00

$65.23

4

GUIDE, KICK STARTER

26232-49H00

$8.42

5

GEAR, KICK STARTER DRIVE

26240-10H00

$105.39

6

WASHER (18X26X0.5)

09181-18005

$3.72

7

WASHER (18X22X1.0)

09181-18004

$3.72

8

OIL SEAL (18X30X8.0)

09283-18004

$5.24

9

SPRING

09440-31002

$2.22

10

SPRING

09448-45014

$10.49

11

BOLT

01500-0612A

$1.78

12

CIRCLIP

08331-3118A

$2.13

13

LEVER ASSY,KICK This part replaces 26300-49H00.

26300-49H01

$176.47

14

.O-RING This part replaces 26313-28E20.

26313-28E21

$2.17

15

JOINT, KICK STARTER LEVER

26331-10H00

$55.23

16

SCREW (6X27.5)

09127-06024

$4.10

17

SPRING

09440-05031

$1.49

18

BALL

06111-07004

$1.49

19

BOLT (8X14)

09103-08522

$4.17