- Partiron
- OEM Parts
- Suzuki
- Motorcycle
- 2010
- RM-Z250L0 (2010)
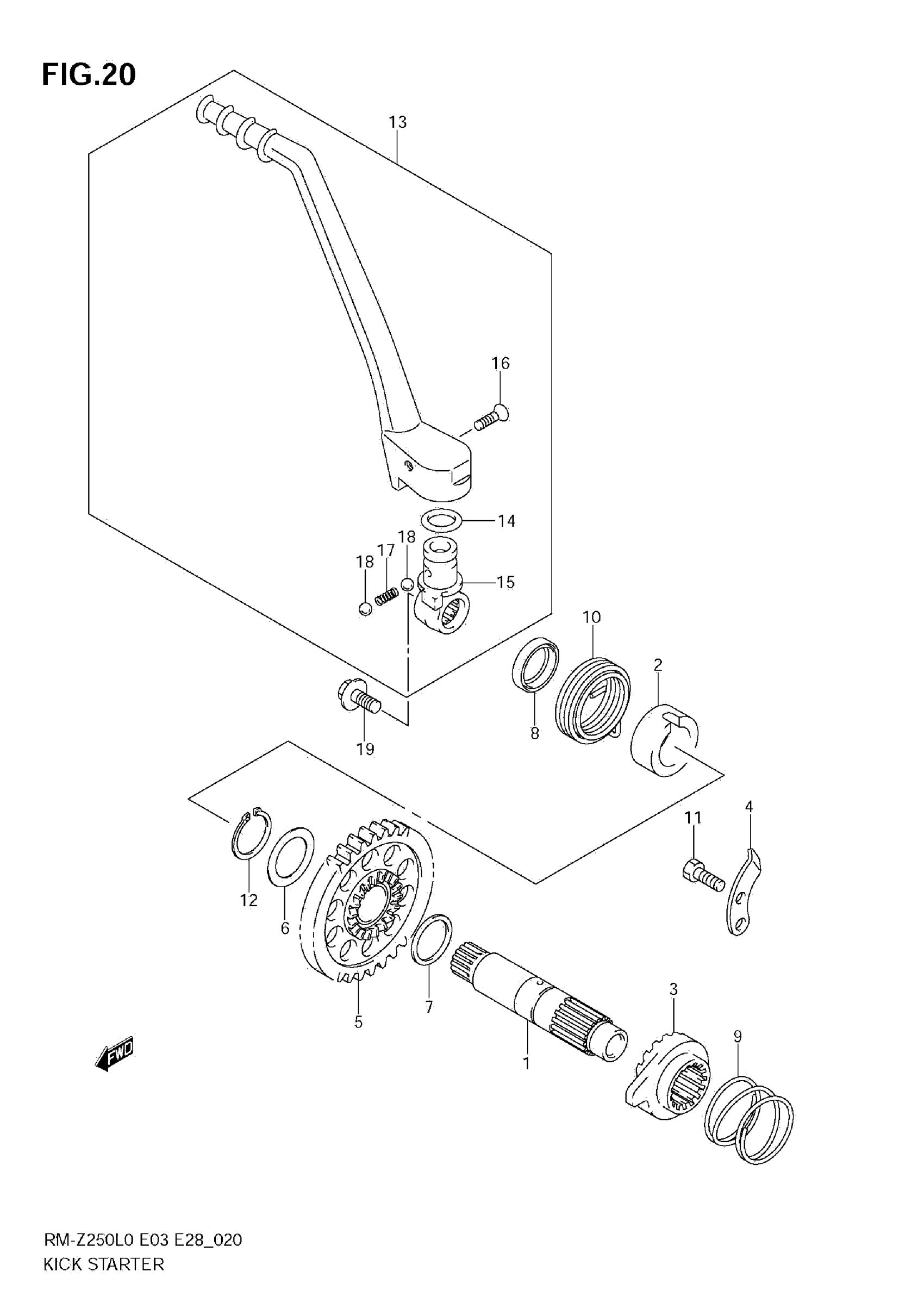
KICK STARTER
Suzuki RM-Z250L0 (2010) KICK STARTER Diagram
#
Description
Price
4
GUIDE, KICK STARTER
26232-10H00
Unavailable
KICK STARTER
#
4
26232-10H00
Unavailable
Edit ride
