Partiron

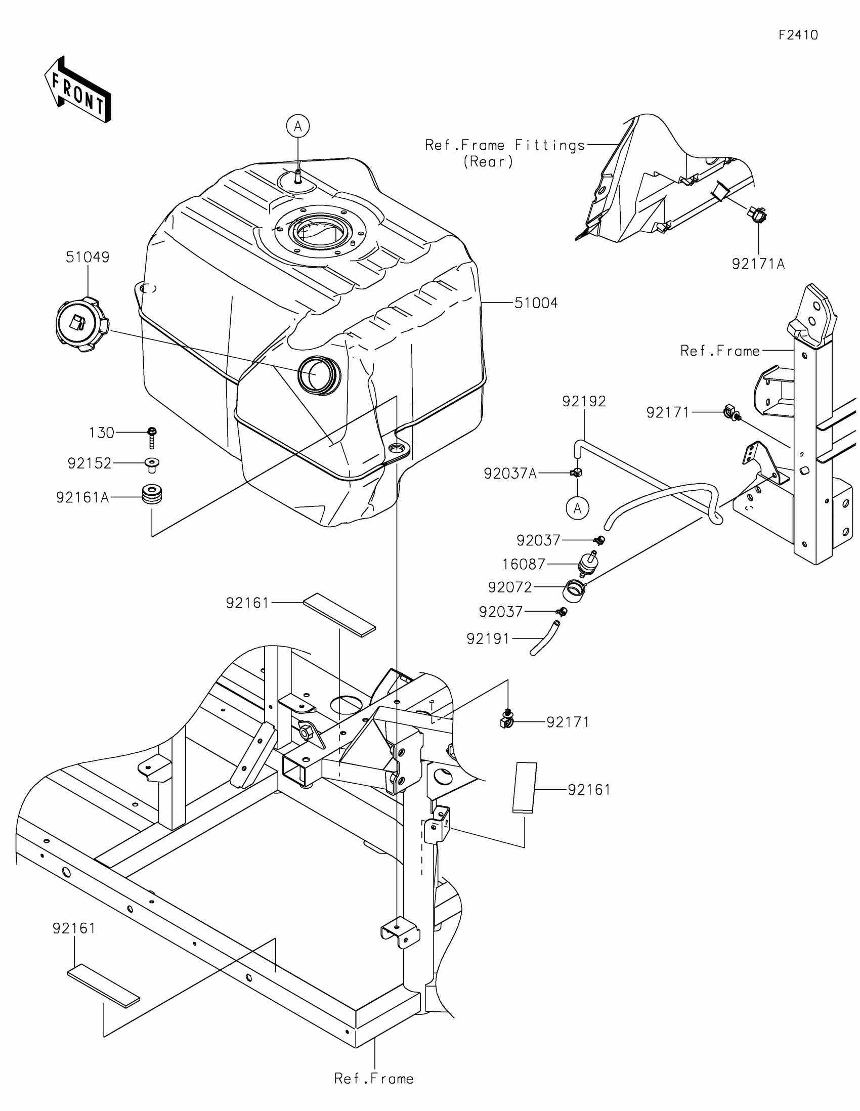
Kawasaki Ridge Limited Fuel Tank(CN,US) Diagram

#

Description
Price

16087

VALVE-CHECK

16087-0008

$37.65

51004

TANK-FUEL

51004-0036

$306.19

51049

CAP-TANK,FUEL

51049-0718

$64.67

92037

CLAMP,TUBE

92037-1461

$3.88

92037A

CLAMP

92037-2113

$1.49

92072

BAND

92072-0850

$4.99

92152

COLLAR,6.8X10X18.1

92152-1867

$5.23

92161

DAMPER,31.1X130X5

92161-0936

$4.68

92161A

DAMPER,TANK

92161-2178

$1.49

92171

CLAMP

92171-0453

$3.54

92171A

CLAMP,EDGE CLIP

92171-1722

$8.05

92191

TUBE,5X9X100

92191-1792

$1.49

92192

TUBE,BREATHER

92192-2626

$15.87

130

BOLT-FLANGED,6X30

130BA0630

$1.49