Partiron

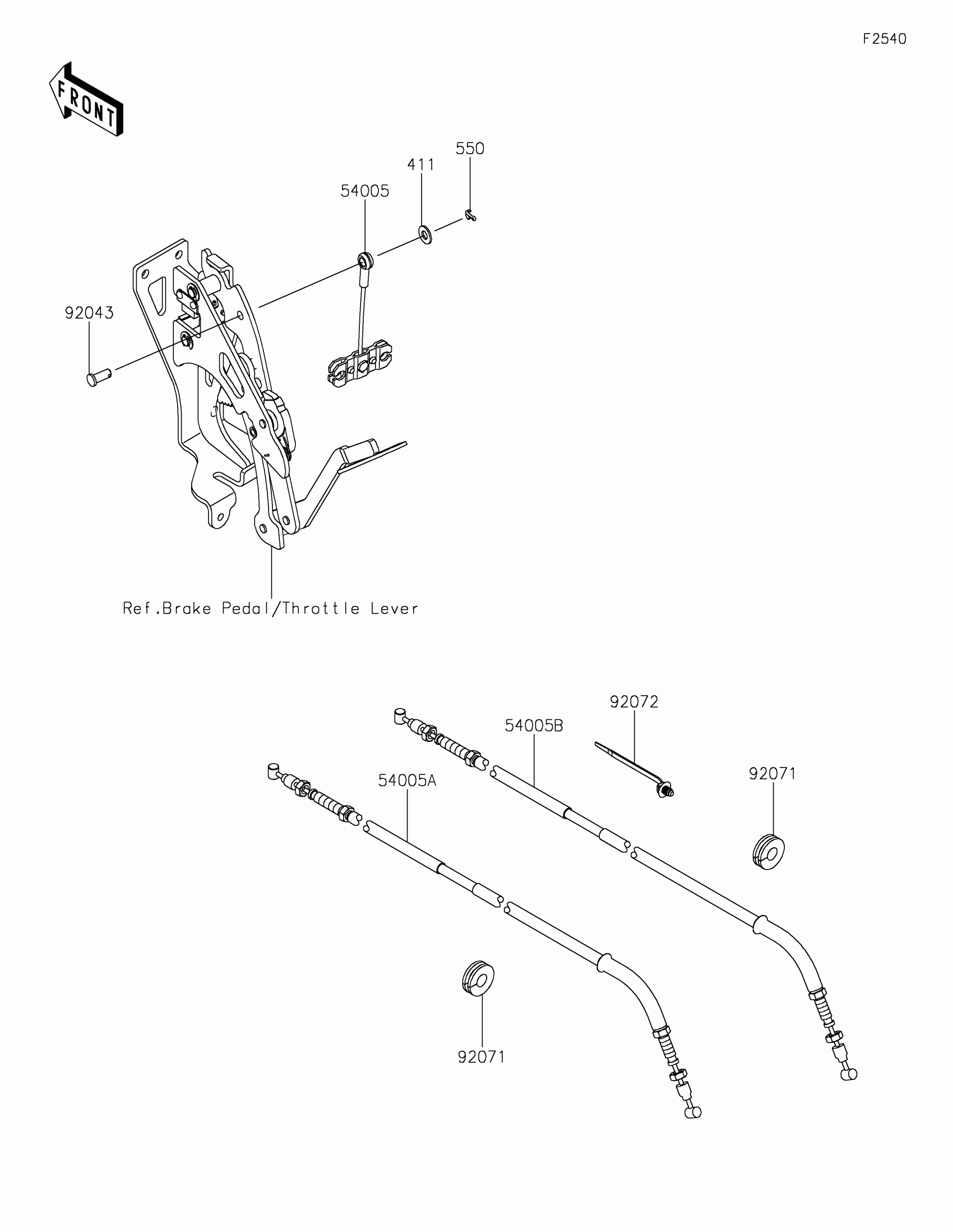
Kawasaki Ridge Limited Cables Diagram

#

Description
Price

54005

CABLE-BRAKE,PARKING,FR

54005-0035

$21.31

54005A

CABLE-BRAKE,PARKING,LH

54005-0318

$109.61

54005B

CABLE-BRAKE,PARKING,RH

54005-0319

$116.85

92043

PIN

92043-1039

$9.91

92071

GROMMET

92071-0029

$1.69

92072

BAND,OS170-FT7(BLACK)

92072-1414

$3.74

411

WASHER-PLAIN,8MM

411AA0800

$1.49

550

PIN-COTTER,2.5X18

550AA2518

$1.49