Partiron

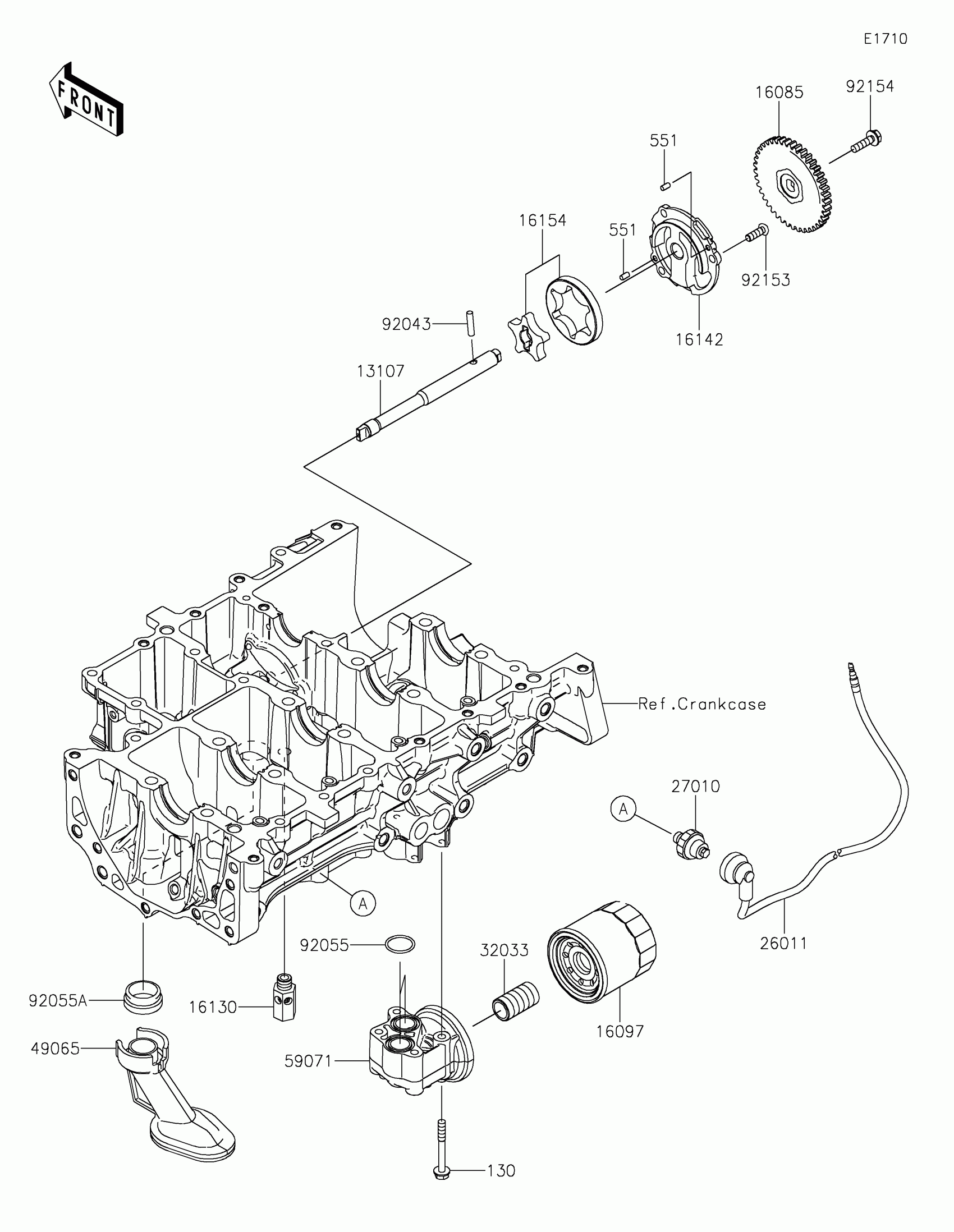
Kawasaki RIDGE® HVAC Oil Pump/Oil Filter Diagram

#

Description
Price

13107

SHAFT,OIL PUMP

13107-1560

$88.71

16085

GEAR,OIL PUMP,41T

16085-0726

$94.58

16097

FILTER-ASSY-OIL

16097-0007

$15.48

16130

VALVE-ASSY-RELIEF

16130-1058

$41.98

16142

COVER-PUMP

16142-0782

$53.65

16154

ROTOR-PUMP

16154-0791

$85.71

26011

WIRE-LEAD

26011-2434

$13.91

27010

SWITCH,OIL PRESSURE

27010-1313

$40.13

32033

PIPE,OIL FILTER

32033-1535

$12.96

49065

FILTER-OIL

49065-0730

$29.20

59071

JOINT,OIL FILTER

59071-0787

$105.50

92043

PIN,5X21.8

92043-1518

$2.78

92055

RING-O,20.8X1.9

92055-0053

$4.83

92055A

RING-O,OIL FILTER

92055-1503

$9.51

92153

BOLT,TORX,6X18

92153-0454

$2.12

92154

BOLT,FLANGED,6X22

92154-1525

$1.71

130

BOLT-FLANGED,6X50

130BA0650

$1.03

551

PIN-DOWEL,4X8

551A0408

$0.78