Partiron

Kawasaki RIDGE® HVAC Fuel Injection Diagram

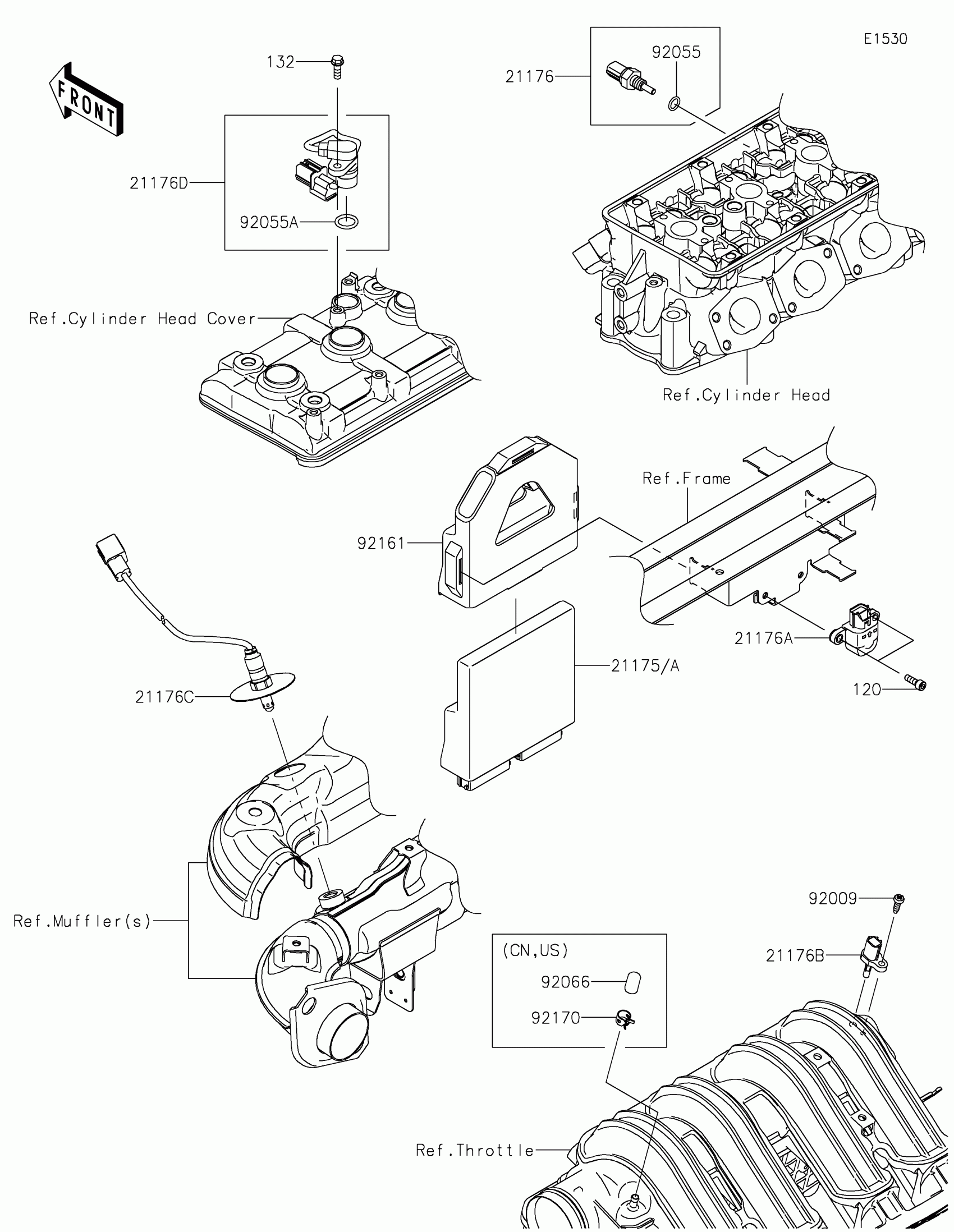
#

Description
Price

21175A

CONTROL UNIT-ELECTRONIC

21175-1895

$1,092.76

21176

SENSOR,WATER TEMP

21176-0009

$69.24

21176A

SENSOR,VEHICLE-DOWN

21176-0026

$86.97

21176B

SENSOR,AIR TEMPERATURE

21176-0048

$26.91

21176C

SENSOR,OXYGEN

21176-0935

$232.80

21176D

SENSOR

21176-1077

$102.13

92009

SCREW,TAPPING,5X16

92009-1984

$2.58

92055

RING-O,9.5X1.9

92055-0016

$8.89

92055A

RING-O

92055-1639

$3.09

92161

DAMPER,ECU

92161-2495

$11.96

120

BOLT-SOCKET,5X16

120CA0516

$2.15

132

BOLT-FLANGED-SMALL,6X16

132BA0616

$1.51

21175

CONTROL UNIT-ELECTRONIC

21175-1894

$839.28

92066

PLUG

92066-0862

$1.21

92170

CLAMP

92170-2043

$1.19