Partiron

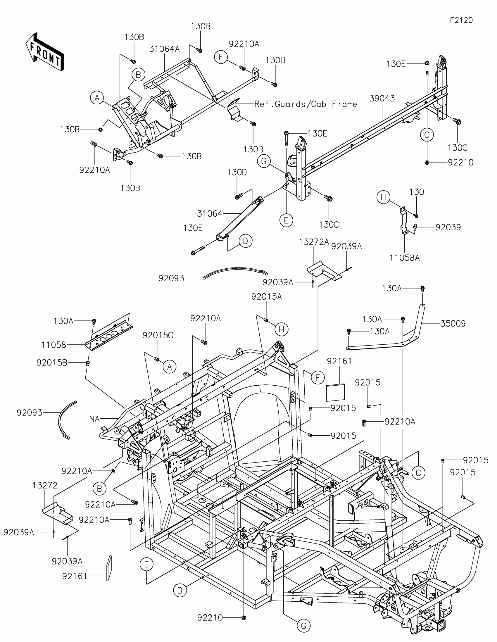
Kawasaki RIDGE® HVAC Frame Diagram

#

Description
Price

11058

BRACKET,RADIATOR

11058-0119

$14.30

11058A

BRACKET,HVAC,RH

11058-0278

$19.97

13272

PLATE,MUD GUARD,LH

13272-4466

$17.39

13272A

PLATE,MUD GUARD,RH

13272-4467

$17.39

31064

PIPE-COMP,TANK SIDE

31064-0748

$27.24

31064A

PIPE-COMP,DASHBOARD

31064-0750

$279.63

35009

BRACE

35009-0050

$28.94

39043

CROSSMEMBER-COMP,B-PILLAR,LWR

39043-0038

$406.11

92015

NUT,POP,6MM,L=15

92015-1791

$4.69

92015A

NUT,POP,6MM,L=16.5

92015-1792

$4.69

92015B

NUT,POP,8MM,L=16.5

92015-1793

$5.00

92015C

NUT,POP,8MM,L=18

92015-1794

$5.24

92039

RIVET

92039-0776

$1.19

92039A

RIVET,3.2X8

92039-3763

$1.81

92093

SEAL,10X10X500

92093-0784

$15.75

92161

DAMPER,125X125X10

92161-2574

$25.10

92210

NUT,LOCK,FLANGED,10MM

92210-0276

$2.61

92210A

NUT,RIVET

92210-1949

$1.13

130

BOLT-FLANGED,6X16

130BA0616

$1.20

130A

BOLT-FLANGED,8X16

130BA0816

$1.12

130B

BOLT-FLANGED,8X20

130BA0820

$4.14

130C

BOLT-FLANGED,12X30

130BA1230

$1.98

130D

BOLT-FLANGED,10X30

130CA1030

$2.32

130E

BOLT-FLANGED,10X65

130CA1065

$2.39