- Partiron
- OEM Parts
- Kawasaki
- side-x-side
- 2025
- RIDGE® HVAC
Chassis Electrical Equipment
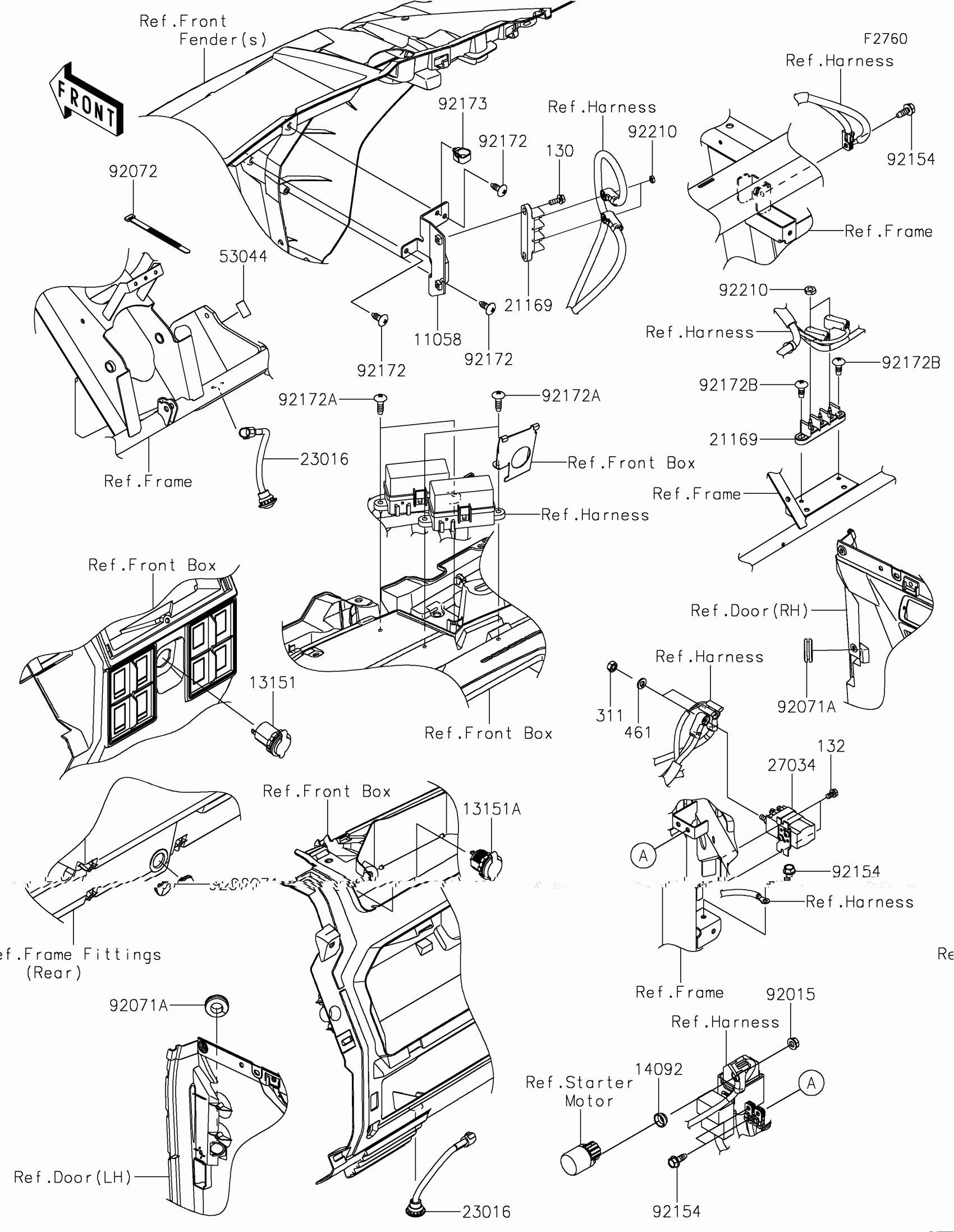
Kawasaki RIDGE® HVAC Chassis Electrical Equipment Diagram
#
Description
Price
Chassis Electrical Equipment
#
Edit ride
