- Partiron
- OEM Parts
- Kawasaki
- side-x-side
- 2025
- RIDGE® CREW HVAC
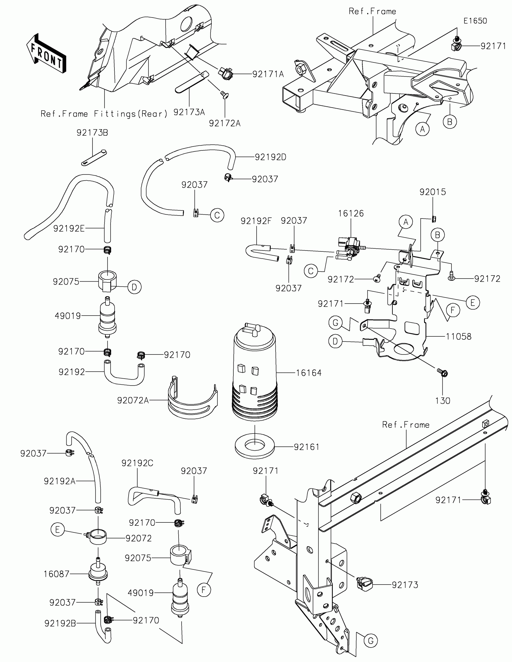
Fuel Evaporative System(CA)
Kawasaki RIDGE® CREW HVAC Fuel Evaporative System(CA) Diagram
#
Description
Price
Fuel Evaporative System(CA)
#
Edit ride
