- Partiron
- OEM Parts
- Suzuki
- Motorcycle
- 1997
- RF900RV (1997)
FRAME (MODEL V)
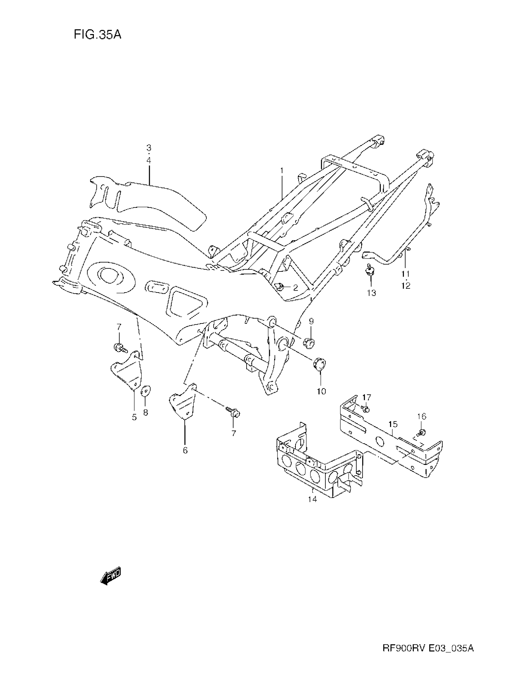
Suzuki RF900RV (1997) FRAME (MODEL V) Diagram
#
Description
Price
1
FRAME This part replaces 41100-31E20-0FP.
41100-31E21-0FP
Unavailable
1
NO DESCRIPTION AVAILABLE | CALIFORNIA ONLY This part replaces 41100-31E30-0FP.
41100-31E31-0FP
Unavailable
3
SHIELD, HEAT RH
41891-21E02
Unavailable
4
SHIELD, HEAD LH
41892-21E02
Unavailable
5
PLATE, ENGINE MOUNT RH
41911-31E01
Unavailable
6
PLATE, ENGINE MOUNT LH
41921-31E01
Unavailable
8
WASHER, INNER
09160-10070
Unavailable
9
CAP, MOUNT BOSS
43585-47D01
Unavailable
10
CAP, PIVOT
43585-21E00
Unavailable
11
GRIP, REAR RH
43970-31E10
Unavailable
12
GRIP, REAR LH
43980-31E10
Unavailable
14
HOLDER, BATTERY
41540-21E11
Unavailable
15
BRACKET
41561-21E00
Unavailable
