- Partiron
- OEM Parts
- Suzuki
- Motorcycle
- 1997
- RF900RV (1997)
AIR CLEANER
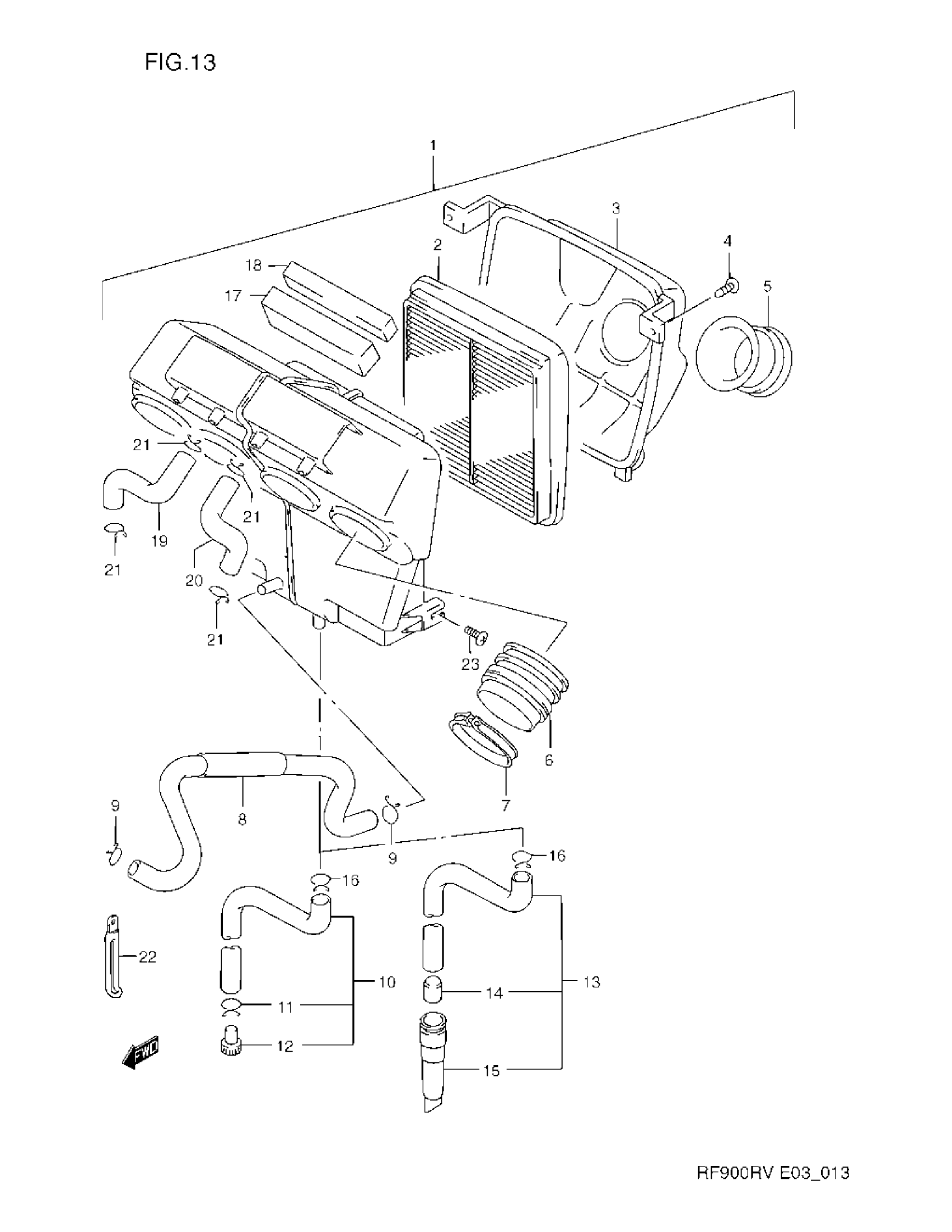
Suzuki RF900RV (1997) AIR CLEANER Diagram
#
Description
Price
1
CLEANER ASSY, AIR | MODEL R This part replaces 13700-31E00.
13700-31E02
Unavailable
1
CLEANER ASSY, AIR | MODEL S This part replaces 13700-31E01.
13700-31E02
Unavailable
1
CLEANER ASSY, AIR | MODEL T/V; Includes Item(s) 2 - 21
13700-31E02
Unavailable
2
FILTER, AIR
13780-21E00
Unavailable
3
CAP, AIR CLEANER
13740-21E00
Unavailable
6
TUBE, OUTLET
13881-31E00
Unavailable
8
TUBE, BREATHER
13850-21E00
Unavailable
14
FILTER, DRAIN | MODEL S/T/V
13789-00020
Unavailable
15
CAP, TUB DRAIN | MODEL S/T/V
13872-00A00-010
Unavailable
17
FILTER, CARB AIR,NO.1
13783-21E01
Unavailable
18
FILTER, CARB AIR,NO.2
13784-21E01
Unavailable
19
TUBE, CARB AIR R
13855-21E00
Unavailable
20
TUBE, CARB AIR L
13856-21E00
Unavailable
