Partiron

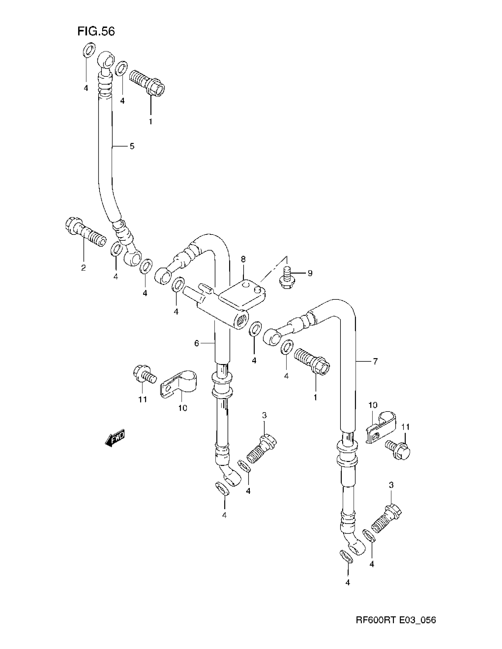
Suzuki RF600RT (1996) FRONT BRAKE HOSE Diagram

#

Description
Price

1

UNION This part replaces 09360-10039.

09360-10061

$6.43

2

BOLT (10X1.00X36)

09360-10018

$6.80

3

UNION This part replaces 09360-10040.

09360-10062

$6.43

4

WASHER (10X15X1.5)

09161-10009

$1.84

5

HOSE, FRONT BRAKE NO.1

59480-21E00

Unavailable

6

HOSE, FRONT BRAKE NO.2 RH

59240-21E00

Unavailable

7

HOSE, FRONT BRAKE NO.2 LH

59440-21E00

Unavailable

8

JOINT, BRAKE HOSE

59491-17E00

Unavailable

9

BOLT This part replaces 01550-06163.

01550-0616A

$1.97

10

CLAMP, BRAKE HOSE

59268-45D00

$11.30

11

BOLT, CLAMP This part replaces 01550-06123.

01550-0612A

$1.97