- Partiron
- OEM Parts
- Ski-Doo
- 2012
- Renegade
- Renegade Adrenaline 800RETEC XP, 2012
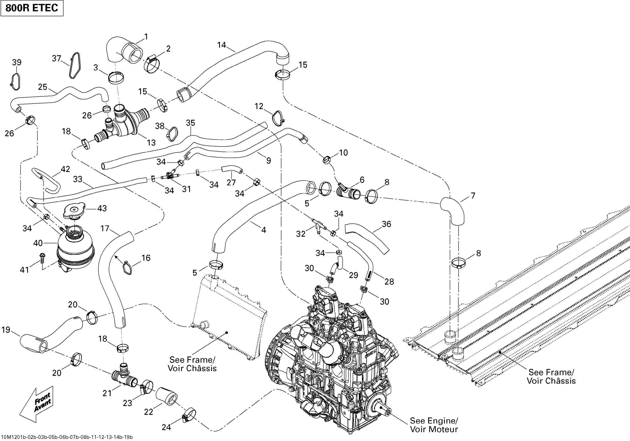
Cooling System 800R ETEC
Ski-Doo Renegade Adrenaline 800RETEC XP, 2012 Cooling System 800R ETEC Diagram
#
Description
Price
25
FILLING HOSE - Call your local BRP dealership | 800R ETEC Except GSX
509000759
Unavailable
33
BLEEDER HOSE - Call your local BRP dealership | 800R ETEC Except GSX
509000770
Unavailable
