- Partiron
- OEM Parts
- Ski-Doo
- 2017
- RENEGADE Family
- RENEGADE - 2-STROKE - 600 CARB, 2017
Cooling System
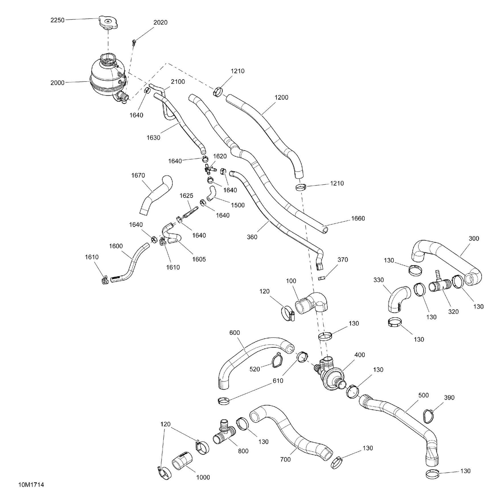
Ski-Doo RENEGADE - 2-STROKE - 600 CARB, 2017 Cooling System Diagram
#
Description
Price
Cooling System
#
Edit ride
