- Partiron
- OEM Parts
- Yamaha
- motorcycle
- 1973
- RD60 (RD60) 1973
SHIFTER 1
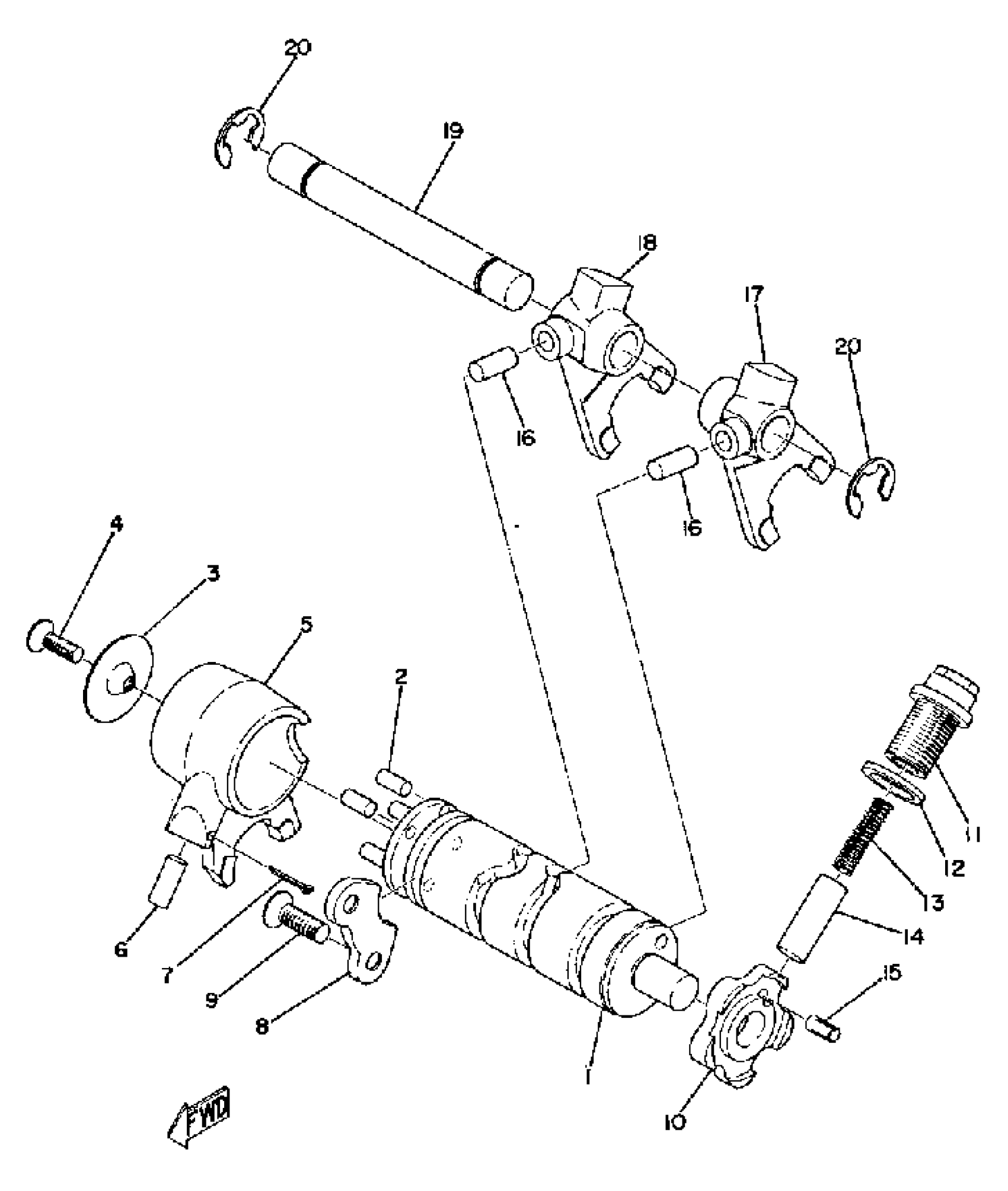
Yamaha RD60 (RD60) 1973 SHIFTER 1 Diagram
#
Description
Price
1
SHIFT CAM ASSEMBLY
4U5-18540-00-00
Unavailable
3
PLATE, SIDE 1
214-18561-00-00
Unavailable
5
FORK, SHIFT 1
353-18511-01-00
Unavailable
8
PLATE, STOPPER 2
353-18562-00-00
Unavailable
10
PLATE, STOPPER
(353-18141-00-00)
Unavailable
10
PLATE, STOPPER
(353-18141-00-00)
Unavailable
13
SPRING, CAM STOPPER
(353-18557-00-00)
Unavailable
13
SPRING, COMPRESSION
90501-09292-00
Unavailable
14
STOPPER, CAM
278-18547-02-00
Unavailable
14
STOPPER, CAM
353-18547-00-00
Unavailable
15
PIN, GRVD STRAIGHT
(90256-05002-00)
Unavailable
15
PIN, DOWEL (278)
93604-08071-00
Unavailable
17
FORK, SHIFT 2
353-18512-01-00
Unavailable
18
FORK, SHIFT 3
353-18513-01-00
Unavailable
19
BAR, SHIFT FORK GUIDE 1
214-18531-00-00
Unavailable
20
CIRCLIP
99006-10600-00
Unavailable
