- Partiron
- OEM Parts
- Yamaha
- motorcycle
- 1979
- RD400F (RD400) 1979
TAILLIGHT
Yamaha RD400F (RD400) 1979 TAILLIGHT Diagram
#
Description
Price
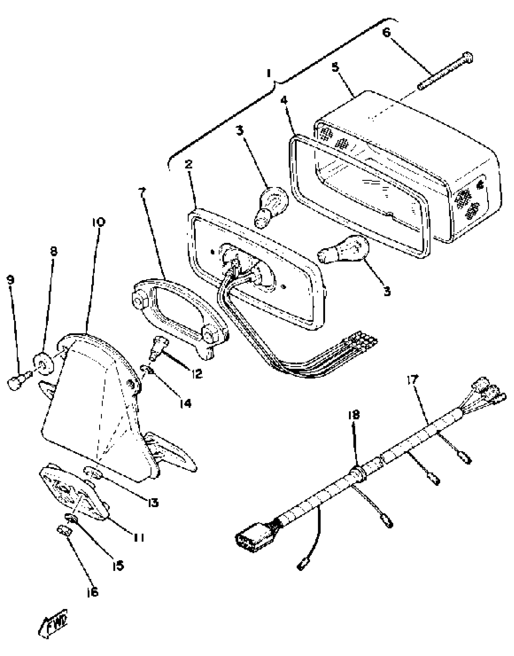
1
TAILLIGHT UNIT ASSEMBLY
2A2-84710-60-00
Unavailable
2
BASE, TAILLIGHT
(2A2-84711-60-00)
Unavailable
4
. GASKET, TAIL LENS
1A0-84723-60-00
Unavailable
5
. LENS, TAILLIGHT
1A0-84721-60-00
Unavailable
6
SCREW, PANHEAD (4G7)
98580-04055-00
Unavailable
7
SHEET, BASE
1A0-84712-60-00
Unavailable
9
BOLT, TAILLAMP
1A0-84726-60-00
Unavailable
10
BRACKET, LICENSE
(2A2-84751-60-33)
Unavailable
11
DAMPER
1A2-84753-00-00
Unavailable
12
DAMPER
1A2-84753-10-00
Unavailable
14
WASHER, PLAIN
92990-08200-00
Unavailable
15
WASHER, SPRING
92995-06100-00
Unavailable
16
NUT, HEXAGON
95380-06600-00
Unavailable
17
CORD, TAILLIGHT
(2R8-84717-00-00)
Unavailable
18
GROMMET(2UJ)
90480-16501-00
Unavailable
