- Partiron
- OEM Parts
- Yamaha
- motorcycle
- 1979
- RD400F (RD400) 1979
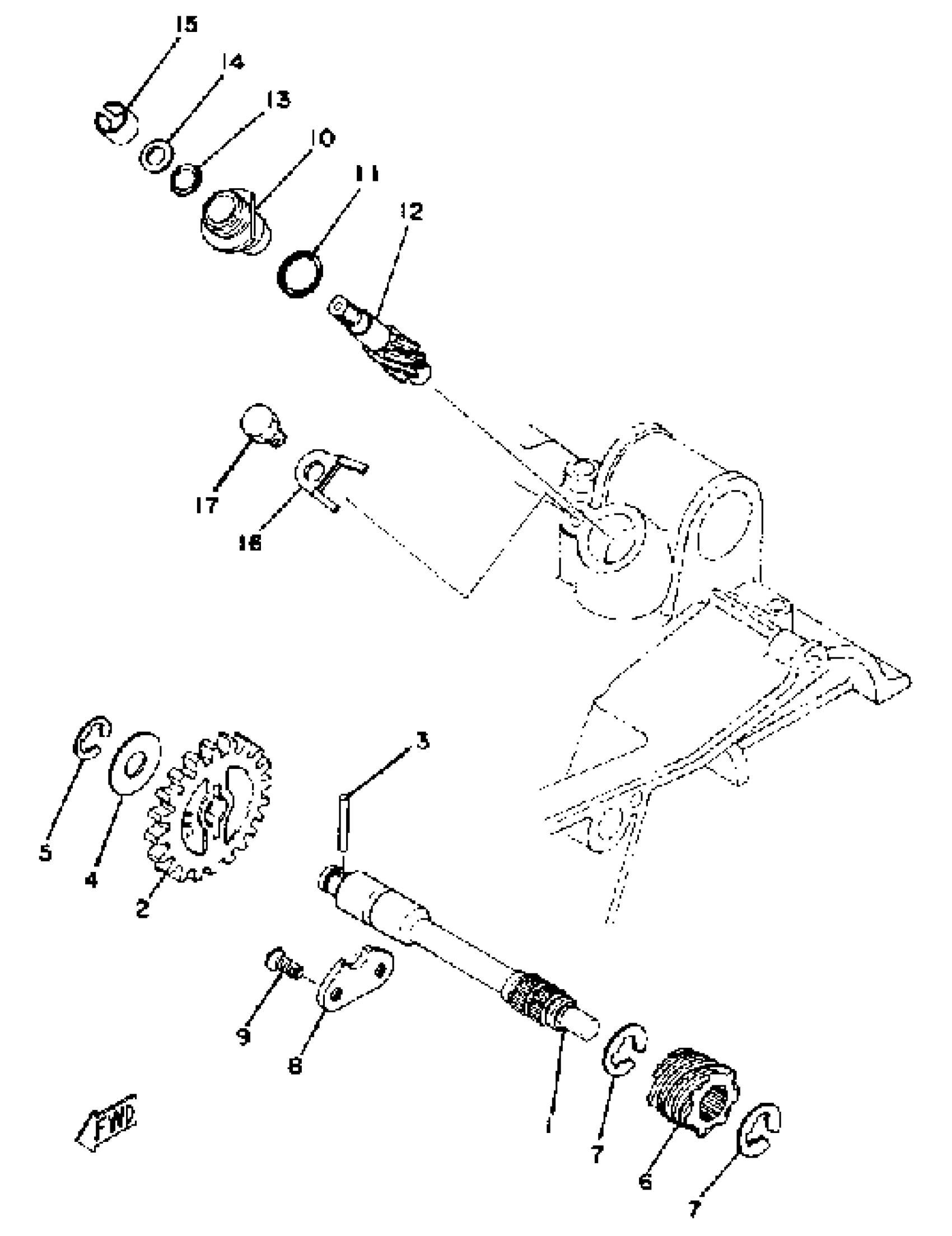
TACHOMETER GEAR
Yamaha RD400F (RD400) 1979 TACHOMETER GEAR Diagram
#
Description
Price
1
AXLE, DRIVE GEAR
2R8-17861-00-00
Unavailable
2
GEAR, PRIMARY
2R9-17851-00-00
Unavailable
6
GEAR, DRIVE
2R8-17831-00-00
Unavailable
8
STOPPER
(278-17812-00-00)
Unavailable
10
HOUSING ASSEMBLY, TACH (214-17811-01)
353-17810-00-00
Unavailable
12
GEAR, DRIVEN
(2R8-17841-00-00)
Unavailable
13
SEAL, HOUSING
353-17816-00-00
Unavailable
14
SHIM (7.5-10.8-0.4)
214-17847-00-00
Unavailable
15
BUSH, FORMED (214-17815-00) 001
90383-10005-00
Unavailable
16
STOPPER
5U7-17812-00-00
Unavailable
17
BOLT(3JP)
97017-06010-00
Unavailable
