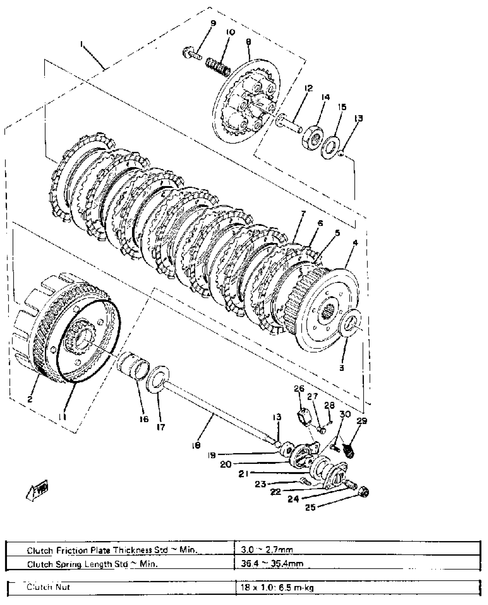
Yamaha RD400F (RD400) 1979 CLUTCH Diagram
#
Description
Price
1
CLUTCH ASSEMBLY
(2V0-16301-00-00)
Unavailable
2
. PRI DRVN GEARCOMP (66T)
2R9-16150-00-00
Unavailable
8
. PLATE, PRESSURE 1
1A0-16351-00-00
Unavailable
11
O-RING
93211-10232-00
Unavailable
14
NUT
90170-18089-00
Unavailable
15
SPRING
214-16119-00-00
Unavailable
16
SPACER
278-16181-01-00
Unavailable
18
ROD,PUSH
328-16357-00-00
Unavailable
19
OIL SEAL(12E)
93109-08061-00
Unavailable
20
PUSH LEVER ASSEMBLY
360-16340-00-00
Unavailable
21
SEAL, DUST
214-16347-01-00
Unavailable
22
HOUSING, PUSH SCREW
371-16396-00-00
Unavailable
23
SCREW,PAN HEAD (646)
98580-05012-00
Unavailable
24
BOLT SET 256163430100
90113-08021-00
Unavailable
25
NUT
90179-08179-00
Unavailable
26
JOINT
214-16389-00-00
Unavailable
27
PIN W/HOLE 214163790000
90240-06005-00
Unavailable
28
. PIN, COTTER
91401-10015-00
Unavailable
29
SPRING TENSION 360163450000
90506-10069-00
Unavailable
30
HOOK, SPRING
132-16346-00-00
Unavailable
