- Partiron
- OEM Parts
- Yamaha
- motorcycle
- 1978
- RD400E (RD400) 1978
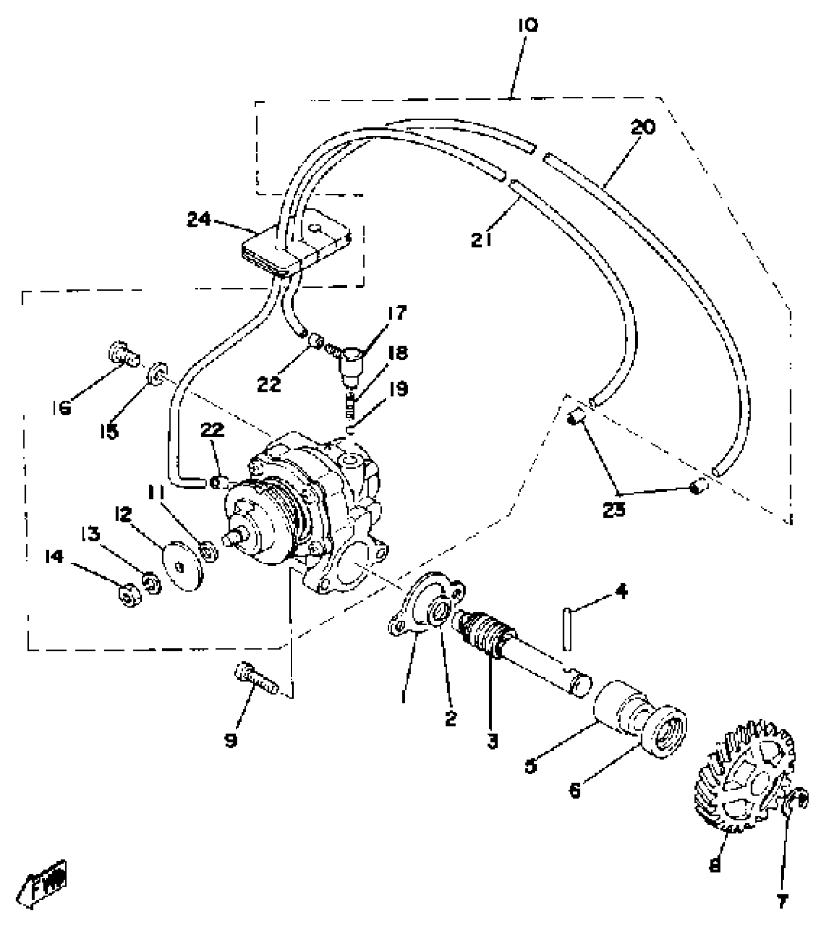
OIL PUMP
Yamaha RD400E (RD400) 1978 OIL PUMP Diagram
#
Description
Price
2
WASHER, PLATE (1E7)
90201-08624-00
Unavailable
3
INACTIVE PART NUMBER
214-13175-02-00
Unavailable
5
METAL, WORM SHAFT OUTER
137-13176-00-00
Unavailable
8
GEAR, PUMP DRIVE
1A1-13178-00-00
Unavailable
9
SCREW, PAN HEAD(6B0)
97885-05016-00
Unavailable
10
OIL PUMP ASSEMBLY
1A1-13101-01-00
Unavailable
12
PLATE, ADJUSTING
137-13138-01-00
Unavailable
14
NUT, HEXAGON (663)
95380-05600-00
Unavailable
15
GASKET 137131870000
90430-04004-00
Unavailable
16
SCREW, BIND
98980-04008-00
Unavailable
17
NOZZLE
353-13552-01-00
Unavailable
18
SPRING (278-13169-00)
90501-02018-00
Unavailable
19
BALL
93505-32002-00
Unavailable
20
HOSE (L450)
90445-05773-00
Unavailable
21
HOSE (L700)
90445-05M07-00
Unavailable
22
CLIP (214-13164-00)
90468-02033-00
Unavailable
23
CLIP (214-13164-00)
90468-02033-00
Unavailable
24
HOLDER, OIL PIPE
278-13174-00-00
Unavailable
