Partiron

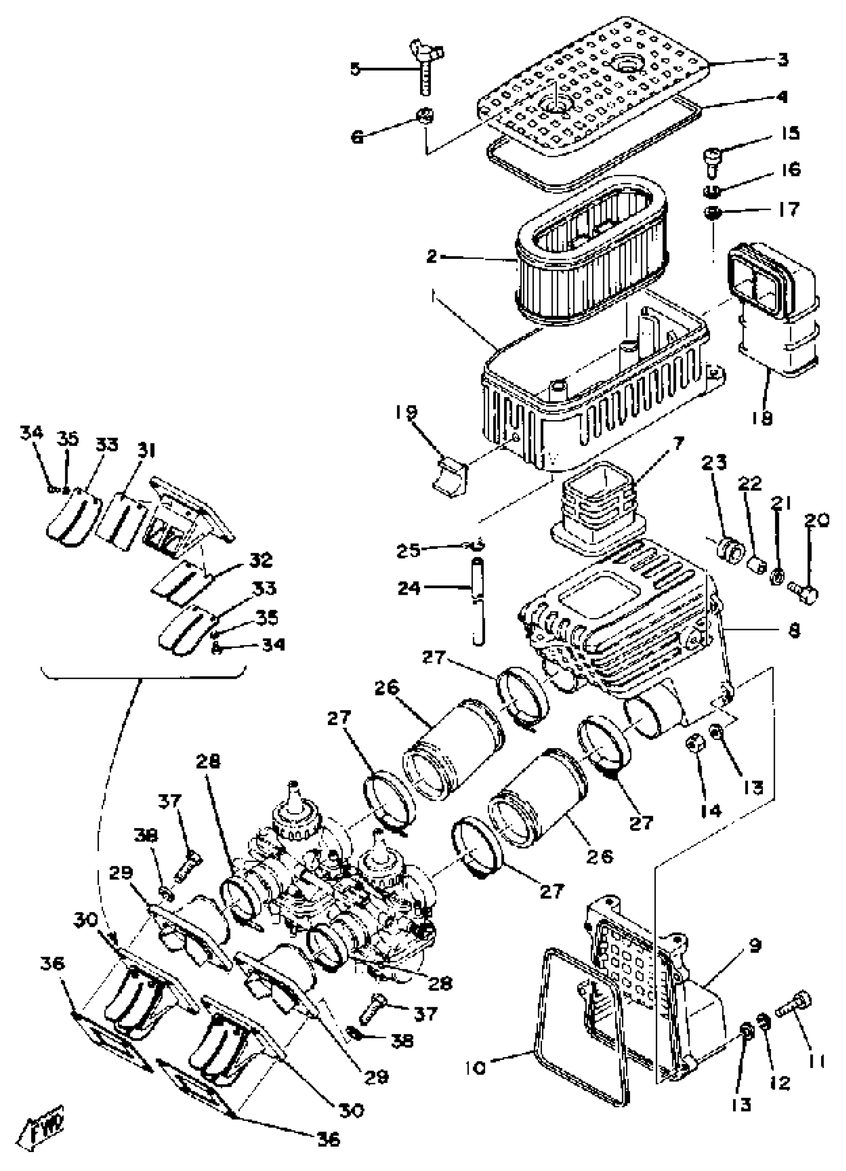
Yamaha RD400E (RD400) 1978 INTAKE Diagram

#

Description
Price

1

INACTIVE PART NUMBER

1A0-14411-00-00

Unavailable

2

ELEMENT, AIR CLNR

1A0-14451-01-00

Unavailable

3

CAP, CLEANER CASE 1

1A0-14412-01-00

Unavailable

4

SEAL

51Y-14462-00-00

$18.49