- Partiron
- OEM Parts
- Yamaha
- motorcycle
- 1976
- RD400C (RD400) 1976
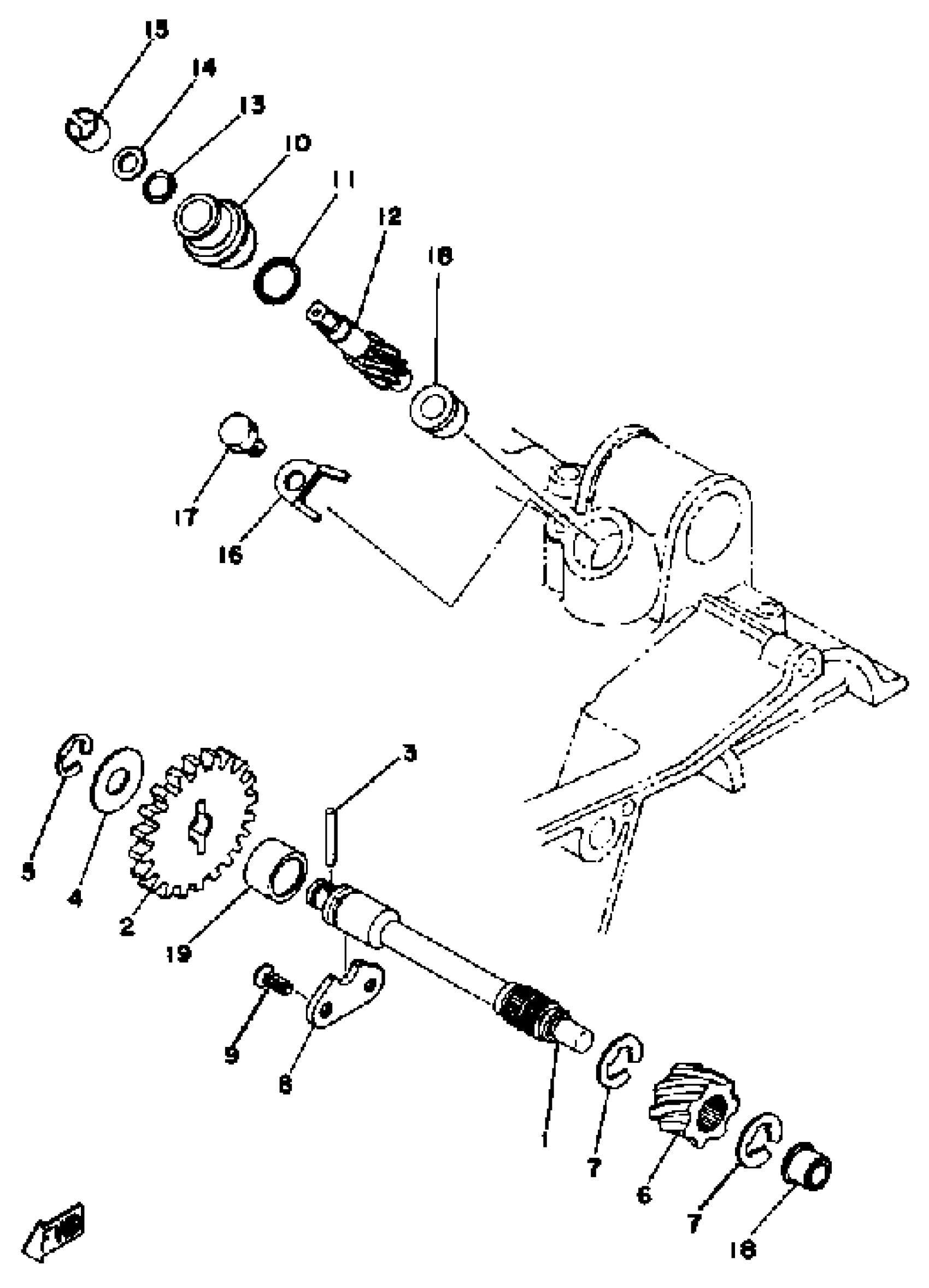
TACHOMETER GEAR
Yamaha RD400C (RD400) 1976 TACHOMETER GEAR Diagram
#
Description
Price
1
AXLE, DRIVE GEAR
(278-17861-00-00)
Unavailable
2
GEAR, PRIMARY (20T)
278-17851-00-00
Unavailable
6
GEAR, DRIVE
(278-17831-00-00)
Unavailable
8
STOPPER
(278-17812-00-00)
Unavailable
10
HOUSING ASSEMBLY, TACH (214-17811-01)
353-17810-00-00
Unavailable
12
GEAR, DRIVEN
214-17841-01-00
Unavailable
14
SHIM (7.5-10.8-0.4)
214-17847-00-00
Unavailable
15
BUSH, FORMED (214-17815-00) 001
90383-10005-00
Unavailable
16
STOPPER
5U7-17812-00-00
Unavailable
17
BOLT(3JP)
97017-06010-00
Unavailable
18
BUSH (214-17843-00)
90381-08002-00
Unavailable
19
BUSH, SOLID
(90380-14040-00)
Unavailable
