- Partiron
- OEM Parts
- Yamaha
- motorcycle
- 1976
- RD400C (RD400) 1976
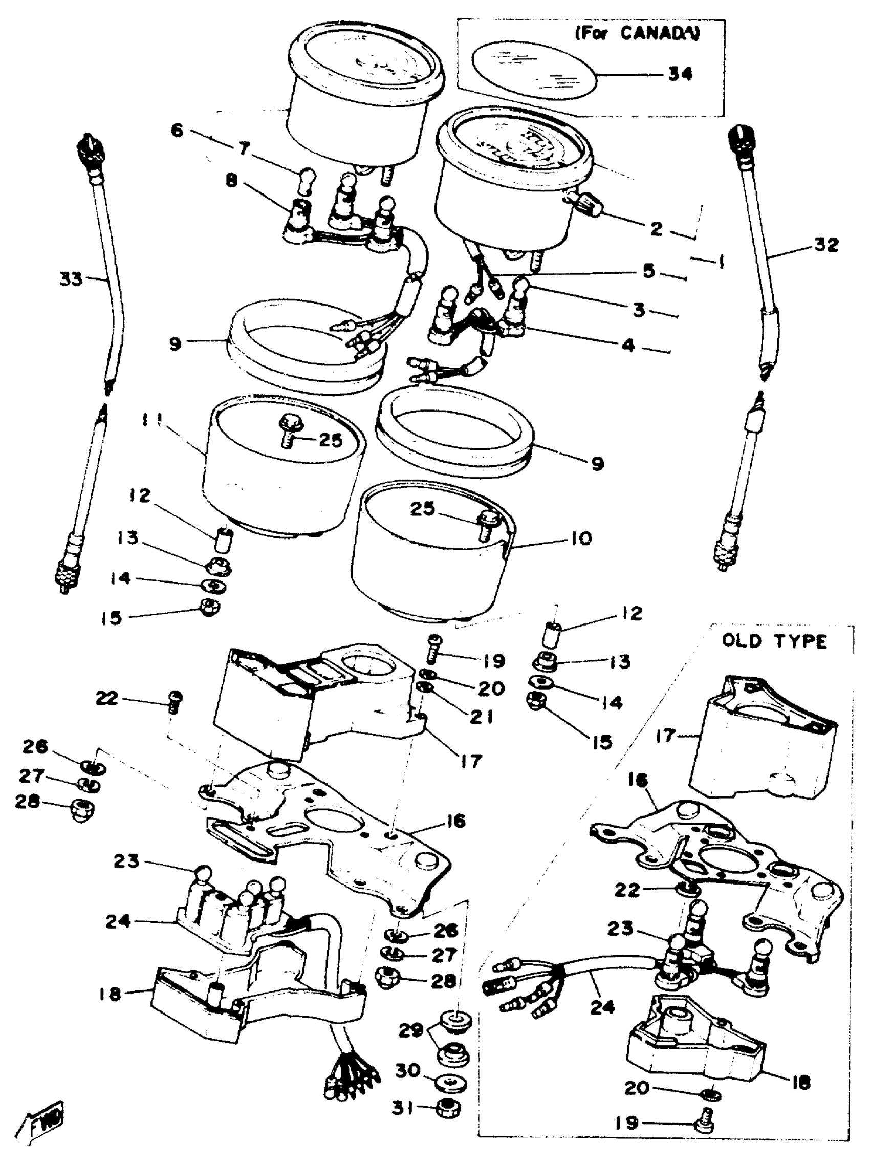
SPEEDOMETER - TACHOMETER
Yamaha RD400C (RD400) 1976 SPEEDOMETER - TACHOMETER Diagram
#
1
SPEEDOMETER ASSEMBLY
1A0-83570-41-00
Unavailable
1
SPEEDOMETER ASSEMBLY
(1A2-83570-21-00)
Unavailable
4
. SOCKET, METER
(1A0-83536-01-00)
Unavailable
5
. SENDER
(1A0-83556-01-00)
Unavailable
6
TACHOMETER ASSEMBLY
(1A0-83540-01-00)
Unavailable
6
TACHOMETER ASSEMBLY 001
(1A0-83540-02-00)
Unavailable
8
. SOCKET CORD ASSEMBLY 001
(1A0-83520-01-00)
Unavailable
8
. CASE, SPDMTR LOWER
(1A0-83572-00-00)
Unavailable
9
DAMPER
1A0-83513-00-00
Unavailable
10
COVER, SPEEDOMETER
1A0-83507-00-00
Unavailable
11
COVER, TACHOMETER
1A0-83508-00-00
Unavailable
12
COLLAR
1A0-83522-00-00
Unavailable
13
DAMPER, METER COVER FITTING
584-83523-00-00
Unavailable
14
. WASHER, PLAIN
92990-05200-00
Unavailable
15
NUT (CROWN)
95303-05800-00
Unavailable
16
BRACKET, METER
(1A0-83519-00-00)
Unavailable
16
BRACKET, METER 001
(1A0-83519-01-00)
Unavailable
17
PILOT BOX, UPPER
(1A0-83568-00-00)
Unavailable
17
PILOT BOX, UPPER
(1J3-83568-71-00)
Unavailable
18
PILOT BOX, LOWER
1J3-83569-71-00
Unavailable
18
PILOT BOX, LOWER
(584-83569-00-00)
Unavailable
19
SCREW, PAN HEAD
98517-04020-00
Unavailable
19
SCREW, PAN HEAD (E56)
98580-04010-00
Unavailable
20
YBS67-4 WASHER, SPRING
92990-04100-00
Unavailable
20
WASHER(6TA)
92907-04100-00
Unavailable
21
WASHER(JF2)
92907-04600-00
Unavailable
22
DAMPER
(1A0-83541-00-00)
Unavailable
22
SCREW, PAN HEAD(62X)
97885-05010-00
Unavailable
24
SOCKET CORD ASSEMBLY 3
(1A0-83573-00-00)
Unavailable
24
SOCKET CORD ASSEMBLY
(1J7-83509-70-00)
Unavailable
25
BOLT
584-83546-00-00
Unavailable
26
YBS66-6 WASHER, PLAIN
92990-06200-00
Unavailable
27
WASHER, SPRING
92995-06100-00
Unavailable
28
NUT (J17)
95380-06800-00
Unavailable
29
DAMPER
1A0-83523-00-00
Unavailable
30
WASHER, PLATE
90201-06095-00
Unavailable
31
NUT, HEXAGON
95380-06600-00
Unavailable
32
UNAVAILABLE IN PRICE BOOK
(351-83500-00-0)
Unavailable
32
SPEEDOMETER CABLE ASSY
55K-83550-02-00
Unavailable
33
TACHOMETER CABLE ASSY
360-83560-01-00
Unavailable
34
UNAVAILABLE IN PRICE BOOK
(1A1-83585-00-00)
Unavailable
