- Partiron
- OEM Parts
- Yamaha
- motorcycle
- 1976
- RD400C (RD400) 1976
SHIFTER 2
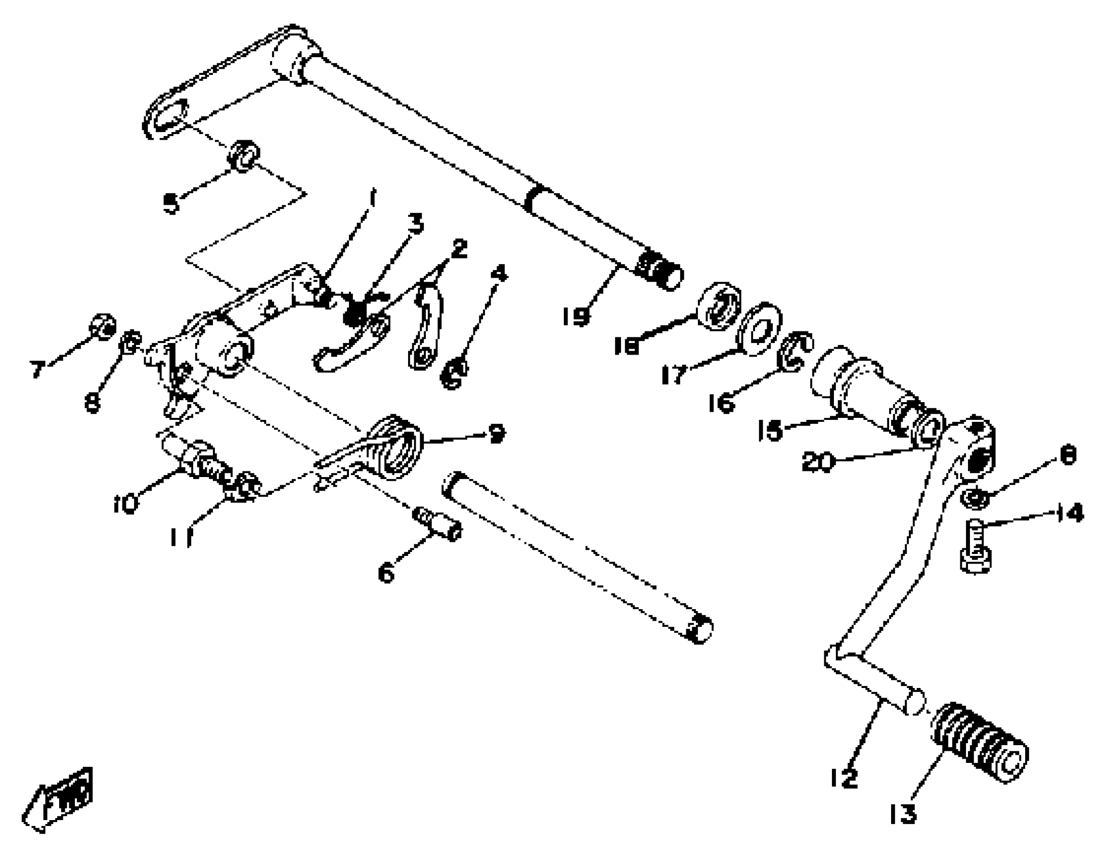
Yamaha RD400C (RD400) 1976 SHIFTER 2 Diagram
#
Description
Price
1
BRACKET
328-18128-00-00
Unavailable
2
LEVER, SHIFT 3
(328-18151-00-00)
Unavailable
3
SPRING, TORSION
90508-08007-00
Unavailable
4
CIRCLIP
99080-07600-00
Unavailable
5
ROLLER, SHIFT LEVER
214-18178-00-00
Unavailable
7
NUT, HEXAGON
95380-06600-00
Unavailable
8
WASHER, SPRING
92995-06100-00
Unavailable
9
SPRING, TORSION
90508-32055-00
Unavailable
11
WASHER
90215-08015-00
Unavailable
12
PEDAL, SHIFT
2L1-18111-00-00
Unavailable
15
BOOT, SEALING
278-18131-00-00
Unavailable
16
CIRCLIP
99006-10600-00
Unavailable
17
WASHER, PLATE (353)
90201-12575-00
Unavailable
18
SEAL, OIL (30X)
93102-12321-00
Unavailable
19
SHIFT SHAFT ASY.1
278-18101-01-00
Unavailable
20
OIL SEAL
93104-12003-00
Unavailable
