- Partiron
- OEM Parts
- Yamaha
- motorcycle
- 1976
- RD400C (RD400) 1976
ELECTRICAL
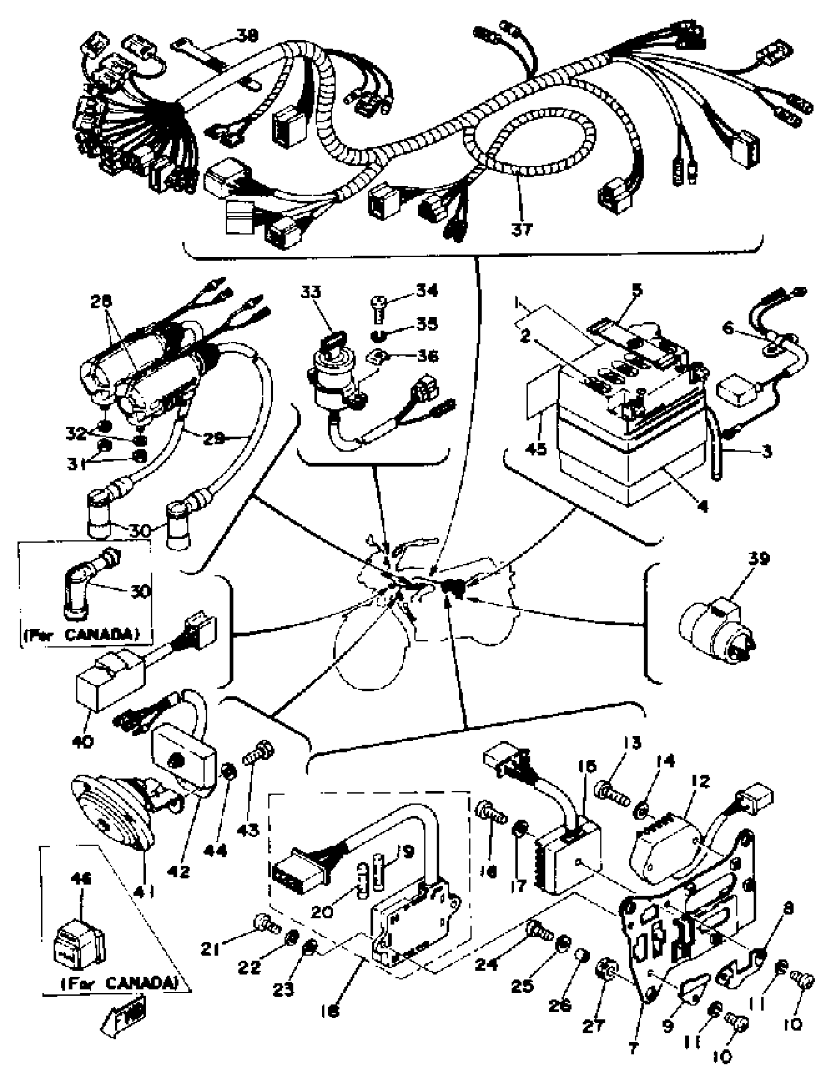
Yamaha RD400C (RD400) 1976 ELECTRICAL Diagram
#
1
12N5.5A3B YUASA BATTERY
12N-55A3B-Y0-00
Unavailable
2
CAP, BATTERY
(104-82111-20-00)
Unavailable
4
BAND, BATTERY
1UA-82124-00-00
Unavailable
6
WIRE, LEAD
1A0-82117-00-00
Unavailable
7
PLATE 1
(1A0-21543-01-00)
Unavailable
8
COLLAR 1
(1A0-21544-00-00)
Unavailable
9
PLATE 3
(1A0-21545-00-00)
Unavailable
11
WASHER, SPRING
92995-06100-00
Unavailable
12
VOLTAGE REG ASSEMBLY
1A0-81910-20-00
Unavailable
13
SCREW, PAN HEAD(6E0)
97885-06030-00
Unavailable
14
WASHER, SPRING
92995-06100-00
Unavailable
15
RECTIFIER ASSEMBLY
1L9-81970-60-00
Unavailable
16
SCREW, PAN HEAD
92503-06200-00
Unavailable
17
WASHER, SPRING
92995-06100-00
Unavailable
18
FUSE BOX ASSEMBLY
1J7-82170-40-00
Unavailable
19
FUSE
1A0-82151-00-00
Unavailable
20
FUSE
1A0-82161-00-00
Unavailable
21
SCREW, PAN HEAD(6B0)
97885-05016-00
Unavailable
22
YBS67-5 WASHER, SPRING
92990-05100-00
Unavailable
23
. WASHER, PLAIN
92990-05200-00
Unavailable
24
SCREW, PAN HEAD(6E5)
97880-06018-00
Unavailable
25
WASHER, PLATE (4L0)
90201-062A8-00
Unavailable
26
COLLAR(8R4)
90387-062N2-00
Unavailable
27
GROMMET (462)
90480-13018-00
Unavailable
28
IGNITION COIL ASSEMBLY
1A0-82310-10-00
Unavailable
29
CORD, HIGHT TENSION 1
137-82341-01-00
Unavailable
30
PLUG CAP ASSY
7KA-82370-00-00
Unavailable
30
PLUG CAP ASSY
56J-82370-00-00
Unavailable
31
NUT, HEXAGON
95380-06600-00
Unavailable
32
WASHER, SPRING
92995-06100-00
Unavailable
33
MAIN SWITCH ASSEMBLY
1A0-82508-50-00
Unavailable
33
MAIN SWITCH ASSEMBLY
584-82508-40-00
Unavailable
34
SCREW, PAN HEAD(4MY)
98507-05018-00
Unavailable
35
YBS67-5 WASHER, SPRING
92990-05100-00
Unavailable
36
WASHER, SPECIAL
533-82517-00-00
Unavailable
37
UNAVAILABLE IN PRICE BOOK
(1A0-82590-50-00)
Unavailable
37
WIRE HARNESS ASSEMBLY
1A0-82590-62-00
Unavailable
38
BAND, SWITCH CORD
437-83936-11-00
Unavailable
39
FLASHER RELAY ASSY
2NV-83350-00-00
Unavailable
40
FLASHER CANCELING UNIT
1A0-83395-03-00
Unavailable
41
HORN
1A0-83371-21-00
Unavailable
42
RESISTOR ASSEMBLY
1A0-85370-10-00
Unavailable
43
BOLT, HEXAGON DEEP RECESS
97D95-06016-00
Unavailable
44
WASHER, SPRING
92995-06100-00
Unavailable
45
LABEL, BATTERY
40A-82141-G0-00
Unavailable
46
UNAVAILABLE IN PRICE BOOK
(360-81590-10-00)
Unavailable
