- Partiron
- OEM Parts
- Yamaha
- motorcycle
- 1974
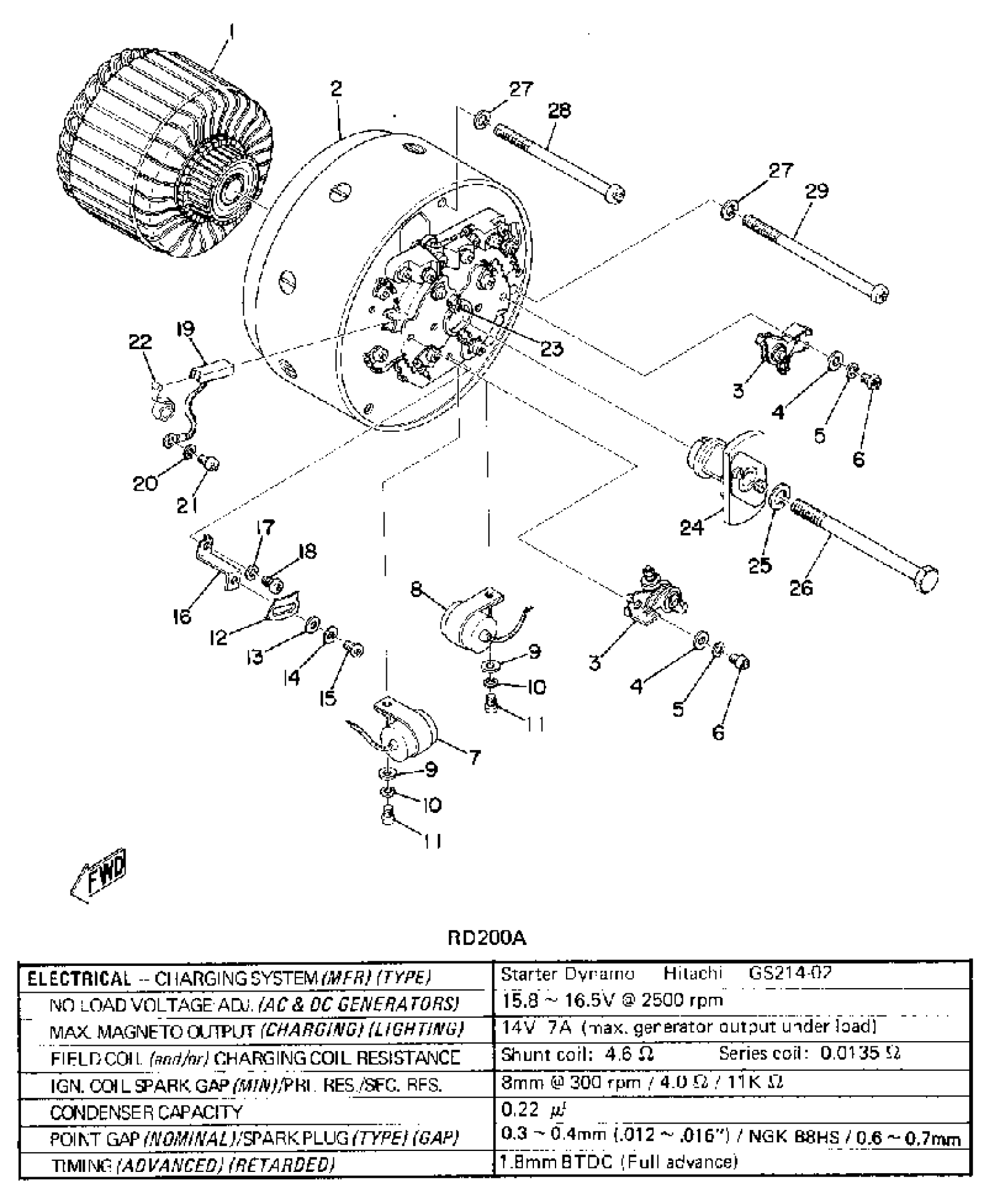
- RD200A (RD200) 1974
STARTER GENERATOR
Yamaha RD200A (RD200) 1974 STARTER GENERATOR Diagram
#
Description
Price
1
STARTER GEN ASSEMBLY
(397-81100-11-00)
Unavailable
1
ARMATURE
(397-81155-11-00)
Unavailable
2
STATOR ASSEMBLY
(397-81110-10-00)
Unavailable
3
CONTACT BREAKER ASSY
183-81421-19-00
Unavailable
7
CNDSR 2
278-81625-91-00
Unavailable
8
CNDSR 2
278-81625-91-00
Unavailable
12
PLATE, TIMING
(133-81132-10-00)
Unavailable
15
SCREW, PAN HEAD(3XP)
98517-04006-00
Unavailable
16
FIXTURE, TMNG PLATE
(299-81133-10-00)
Unavailable
18
SCREW, PAN HEAD(3XP)
98517-04006-00
Unavailable
19
BRUSH
101-81111-10-00
Unavailable
22
. SPRING, BRUSH
141-81113-10-00
Unavailable
23
. LUBRICATOR
207-81331-10-00
Unavailable
24
GOVERNOR ASSEMBLY
(337-81153-10-00)
Unavailable
25
YBS67-8 WASHER, SPRING
92990-08100-00
Unavailable
26
SCREW, HEXAGON
(90143-07021-00)
Unavailable
27
WASHER, SPRING
92995-06100-00
Unavailable
28
SCREW, PAN
98507-06085-00
Unavailable
29
SCREW, PAN HEAD
98507-06095-00
Unavailable
