- Partiron
- OEM Parts
- Yamaha
- motorcycle
- 1974
- RD200A (RD200) 1974
ELECTRICAL
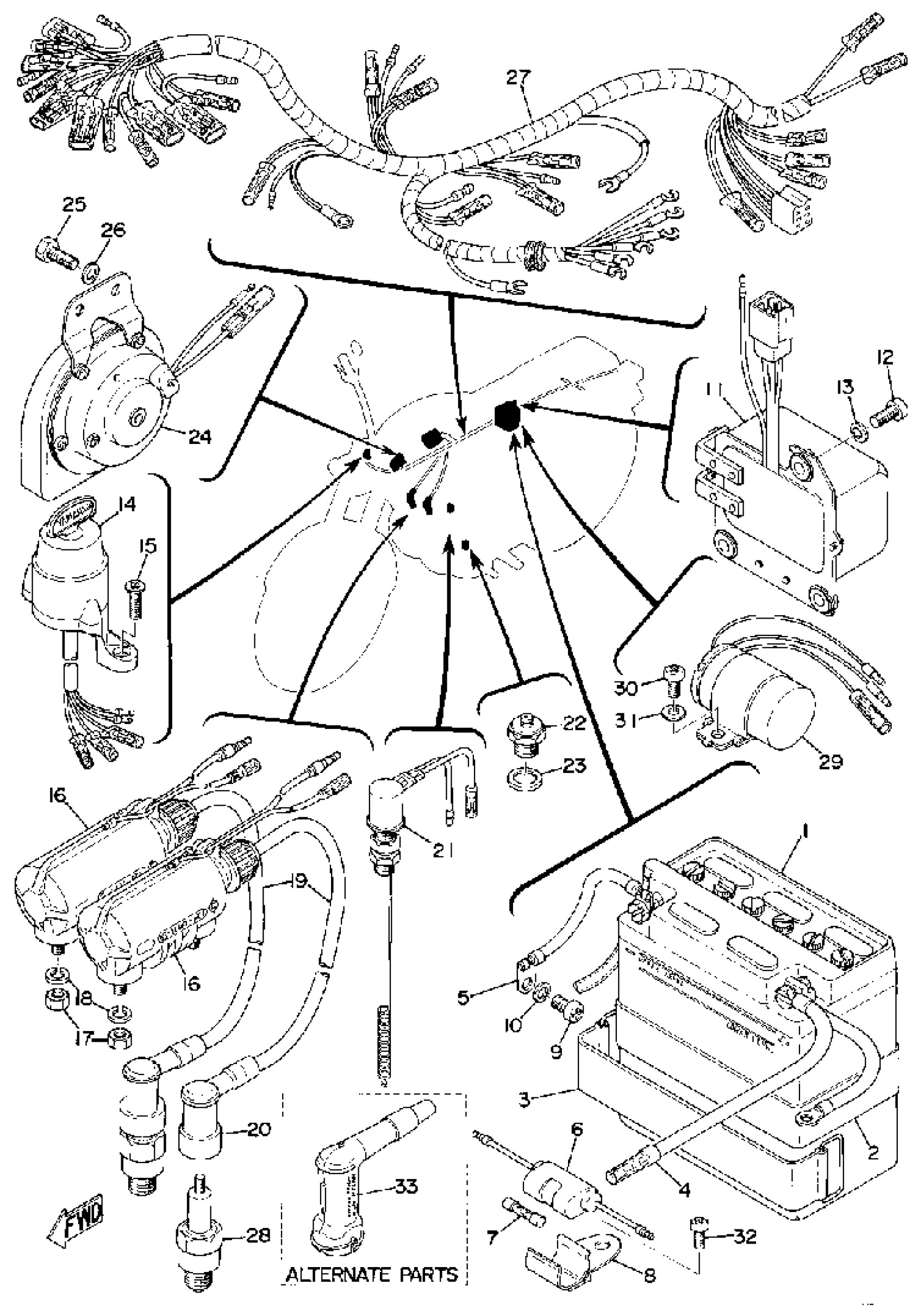
Yamaha RD200A (RD200) 1974 ELECTRICAL Diagram
#
1
CAP, BATTERY
(104-82111-20-00)
Unavailable
1
12N9-3A-1 GS BATTERY
12N-93A10-00-00
Unavailable
2
BAND, BATTERY
1UA-82124-00-00
Unavailable
4
WIRE, PLUS LEAD
(337-82115-00-00)
Unavailable
5
WIRE, MINUS LEAD
(337-82116-00-00)
Unavailable
6
FUSE HOLDER ASSY
2UJ-82150-02-00
Unavailable
8
HOLDER, FUSE
(337-82152-00-00)
Unavailable
10
WASHER, SPRING
92995-06100-00
Unavailable
11
VOLTAGE REG ASSEMBLY
337-81910-10-00
Unavailable
13
WASHER, SPRING
92995-06100-00
Unavailable
14
MAIN SWITCH ASSEMBLY
397-82508-11-00
Unavailable
15
SCREW, FLAT
98707-05016-00
Unavailable
16
IGNITION COIL ASSEMBLY
254-82310-60-00
Unavailable
17
NUT, HEXAGON
95380-06600-00
Unavailable
18
WASHER, SPRING
92995-06100-00
Unavailable
19
CORD, HIGHT TENSION 1
137-82341-01-00
Unavailable
20
PLUG CAP ASSY
56J-82370-00-00
Unavailable
21
STOP SWITCH ASSY
307-82530-09-00
Unavailable
22
NEUTRAL SWITCH ASSY
136-82540-03-00
Unavailable
23
WASHER, PLATE
90201-12790-00
Unavailable
24
HORN
(183-83371-21-00)
Unavailable
26
WASHER, SPRING
92995-06100-00
Unavailable
27
WIRE HARNESS ASSEMBLY
(397-82590-12-00)
Unavailable
28
BR8HS NGK SCREW TOP PLUG 4PK
BR8-HS000-00-00
Unavailable
29
FLASHER RELAY ASSEMBLY
397-83350-71-00
Unavailable
30
SCREW, PAN HEAD(62J)
97885-06012-00
Unavailable
31
WASHER, SPRING
92995-06100-00
Unavailable
32
SCREW, PAN HEAD(62J)
97885-06012-00
Unavailable
33
PLUG CAP ASSEMBLY
808-82370-10-00
Unavailable
