- Partiron
- OEM Parts
- Yamaha
- motorcycle
- 1975
- RD125B (RD125) 1975
SHIFTER 2
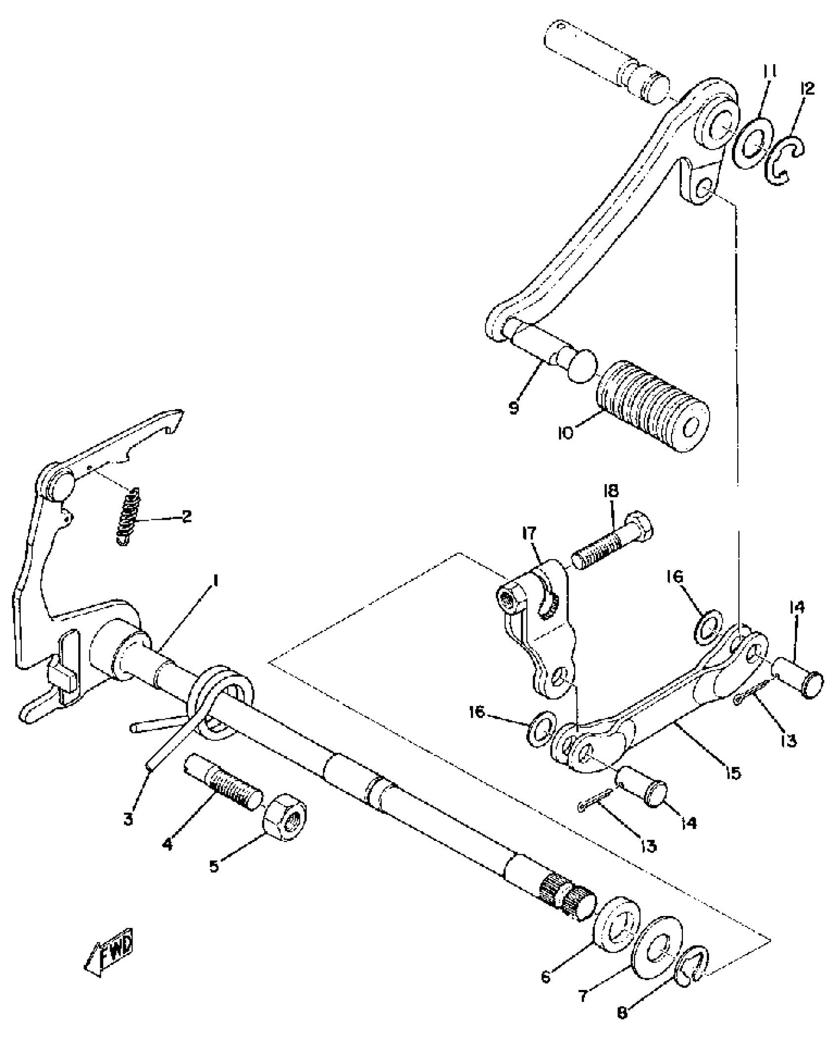
Yamaha RD125B (RD125) 1975 SHIFTER 2 Diagram
#
Description
Price
1
SHIFT SHAFT ASSEMBLY.1
(307-18101-01-00)
Unavailable
2
SPRING TENSION 132181230000
90506-09009-00
Unavailable
9
PEDAL, SHIFT
307-18111-00-93
Unavailable
13
PIN, COTTER
91490-16020-00
Unavailable
15
ROD, SHIFT
(326-18115-00-93)
Unavailable
16
WASHER PLATE 141181390000
90201-08085-00
Unavailable
17
ARM, SHIFT
4X8-18112-00-00
Unavailable
18
BOLT(JF7)
97080-06030-00
Unavailable
