- Partiron
- OEM Parts
- Yamaha
- motorcycle
- 1975
- RD125B (RD125) 1975
FUEL TANK
Yamaha RD125B (RD125) 1975 FUEL TANK Diagram
#
Description
Price
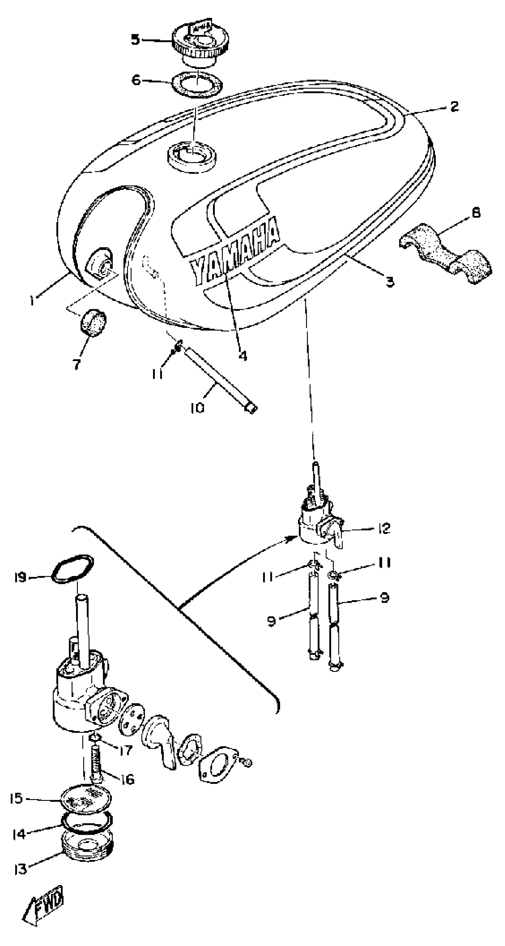
1
NO LONGER AVAILABLE
398-24110-11-W4
Unavailable
2
GRAPHIC, FUEL TNK 7
(397-24254-20-00)
Unavailable
2
GRAPHIC, FUEL TNK 8
(397-24255-20-00)
Unavailable
3
GRAPHIC, FUEL TNK 9
(397-24256-20-00)
Unavailable
3
GRPHC, FUEL TANK 10
(397-24257-20-00)
Unavailable
5
CAP ASY.
3FU-24650-12-00
Unavailable
6
. GASKET, CAP
498-24612-00-00
Unavailable
8
DAMPER, LOCATING 2
(307-24182-00-00)
Unavailable
12
FUEL COCK ASSEMBLY 1
360-24500-00-00
Unavailable
13
. CUP, FILTER
360-24521-00-00
Unavailable
14
. GASKET
168-24522-00-00
Unavailable
15
. NET, FILTER 2
360-24515-00-00
Unavailable
16
SCREW, PAN HEAD (76T)
98517-06025-00
Unavailable
17
GASKET
360-24512-00-00
Unavailable
18
VALVE
137-24523-00-00
Unavailable
19
GASKET, BODY
168-24512-00-00
Unavailable
