- Partiron
- OEM Parts
- Yamaha
- motorcycle
- 1975
- RD125B (RD125) 1975
ELECTRCAL
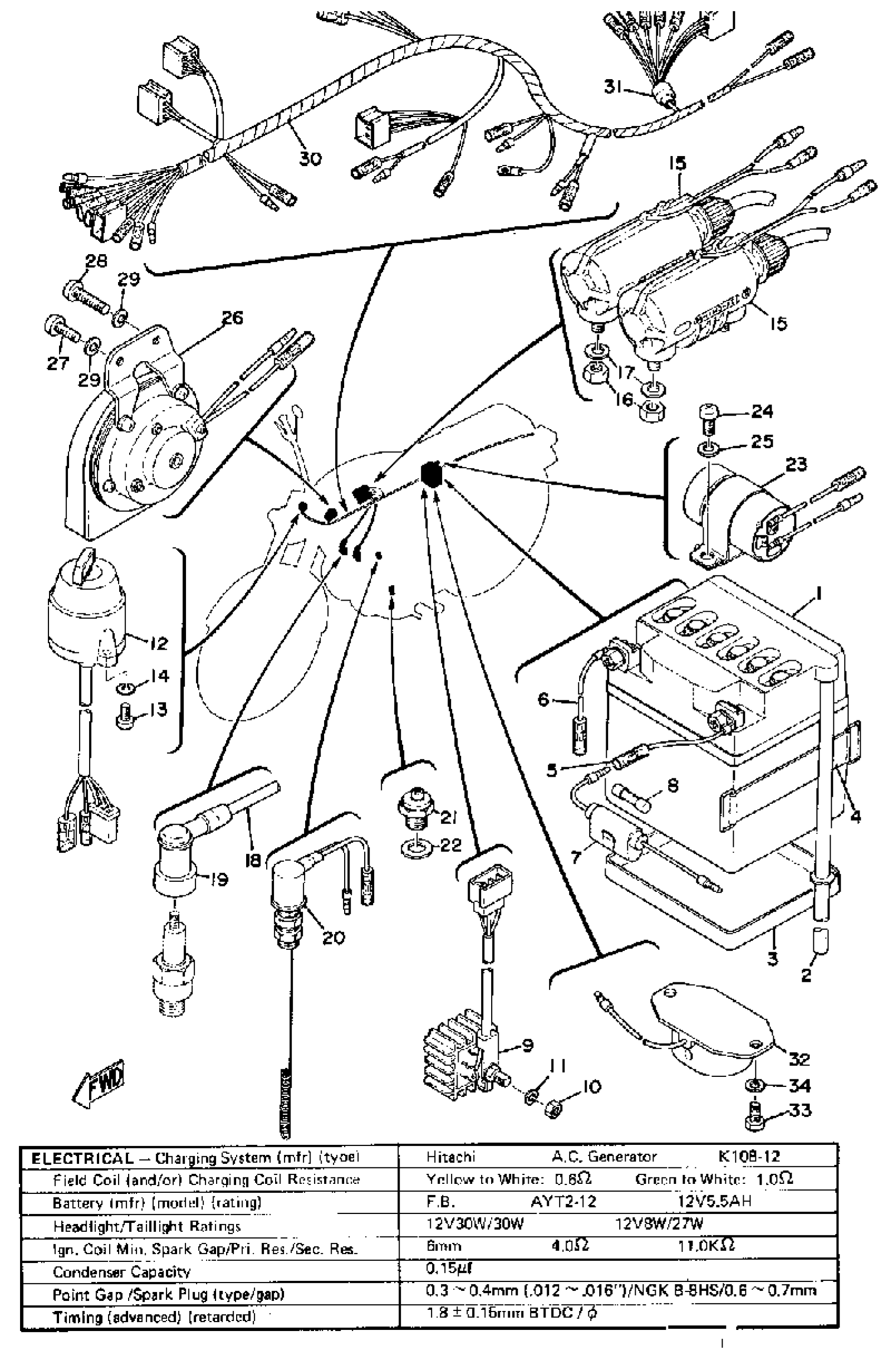
Yamaha RD125B (RD125) 1975 ELECTRCAL Diagram
#
1
12N5.5A3B YUASA BATTERY
12N-55A3B-Y0-00
Unavailable
2
PIPE, BREATHER
(170-82112-00-00)
Unavailable
3
SEAT, BATTERY
(118-82122-00-00)
Unavailable
5
WIRE, PLUS LEAD
(307-82115-01-00)
Unavailable
6
WIRE, MINUS LEAD
(396-82116-00-00)
Unavailable
7
FUSE HOLDER ASSY
2UJ-82150-02-00
Unavailable
9
RECTIFIER ASSEMBLY
357-81970-60-00
Unavailable
12
MAIN SWITCH ASSEMBLY
507-82508-31-00
Unavailable
13
SCREW, PAN HEAD(62X)
97885-05010-00
Unavailable
15
IGNITION COIL ASSEMBLY
254-82310-60-00
Unavailable
16
NUT, HEXAGON
95380-06600-00
Unavailable
17
WASHER, SPRING
92995-06100-00
Unavailable
18
CORD, HIGHT TENSION 1
137-82341-01-00
Unavailable
19
PLUG CAP ASSY
56J-82370-00-00
Unavailable
20
STOP SWITCH ASSY
307-82530-09-00
Unavailable
21
NEUTRAL SWITCH ASSY
136-82540-03-00
Unavailable
22
GASKET (3JD1)
90430-12207-00
Unavailable
23
FLASHER RELAY ASSEMBLY
278-83350-71-00
Unavailable
24
SCREW, PAN HEAD(62J)
97885-06012-00
Unavailable
25
WASHER, SPRING
92995-06100-00
Unavailable
26
HORN
(183-83371-21-00)
Unavailable
27
SCREW, PAN
98507-06014-00
Unavailable
28
SCREW, PAN HEAD (76T)
98517-06025-00
Unavailable
29
WASHER, SPRING
92995-06100-00
Unavailable
30
WIRE HARNESS ASSEMBLY
(507-82590-31-00)
Unavailable
31
COVER, CONNECTER
(307-82599-01-00)
Unavailable
32
VOLTAGE REG ASSEMBLY
507-81910-60-00
Unavailable
33
BOLT(3JP)
97017-06010-00
Unavailable
34
WASHER, SPRING
92995-06100-00
Unavailable
