- Partiron
- OEM Parts
- Yamaha
- motorcycle
- 1975
- RD125B (RD125) 1975
AC GENERATOR
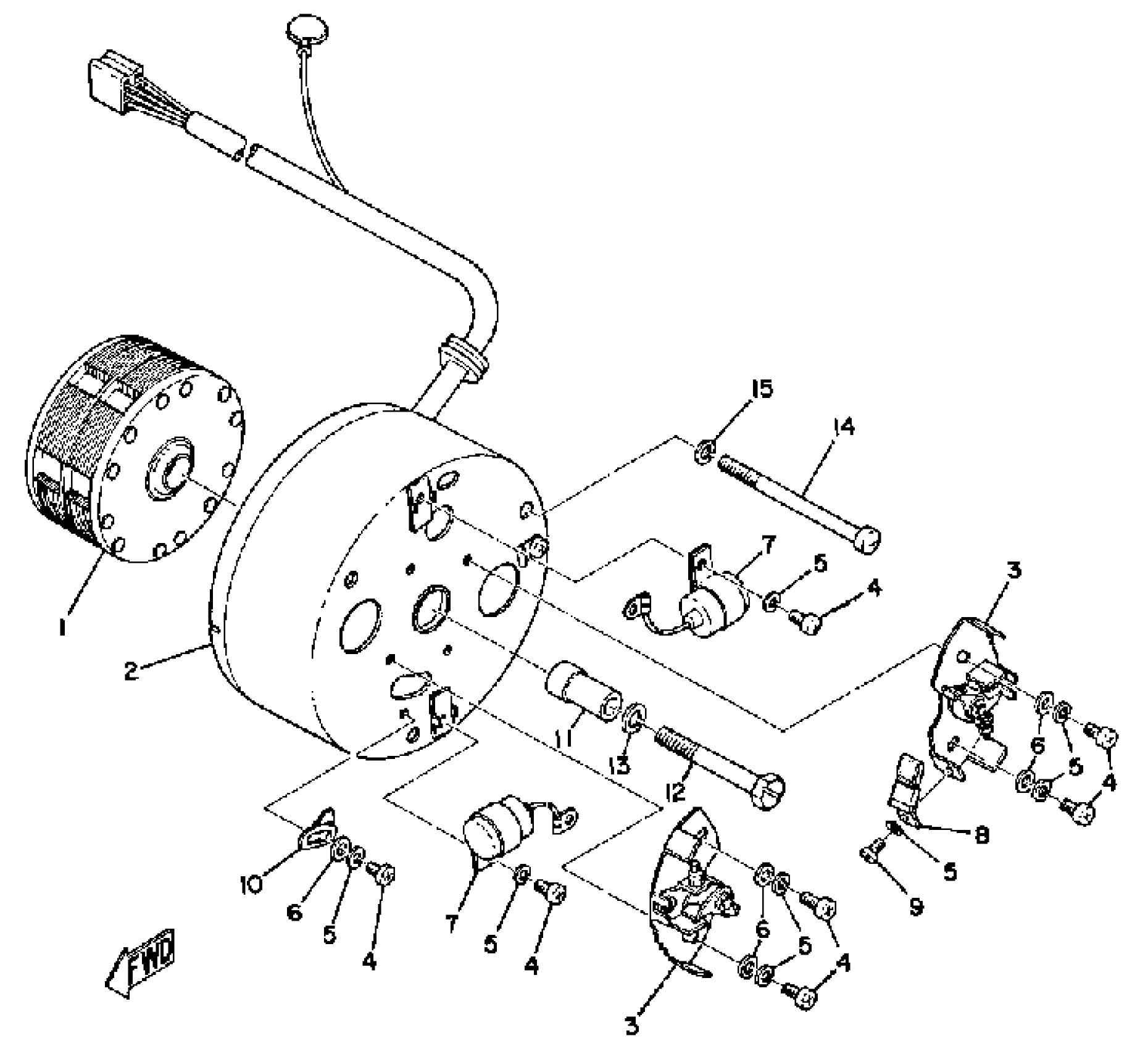
Yamaha RD125B (RD125) 1975 AC GENERATOR Diagram
#
Description
Price
1
AC MAGNET GEN ASSEMBLY
(307-81400-11-00)
Unavailable
1
ROTOR ASSEMBLY
(307-81450-10-00)
Unavailable
2
STATOR ASSEMBLY
(307-81410-11-00)
Unavailable
3
CONTACT BREAKER ASSY
183-81421-19-00
Unavailable
7
.. CONDENSER 1
183-81425-11-00
Unavailable
8
LUBRICATOR
(183-81431-10-00)
Unavailable
9
SCREW, PAN HEAD(3XP)
98517-04006-00
Unavailable
10
PLATE, TIMING
(183-81432-10-00)
Unavailable
11
CAM
(183-81451-13-00)
Unavailable
12
. SCREW, HEXAGON
90143-07022-00
Unavailable
15
WASHER, SPRING
92995-06100-00
Unavailable
