- Partiron
- OEM Parts
- KTM
- Street
- Sport Bike
- Super Bike
- Super Bike Small
- RC 200
- RC 200 2016
- RC 200 WHITE W/O ABS B.D. 16 <2016>
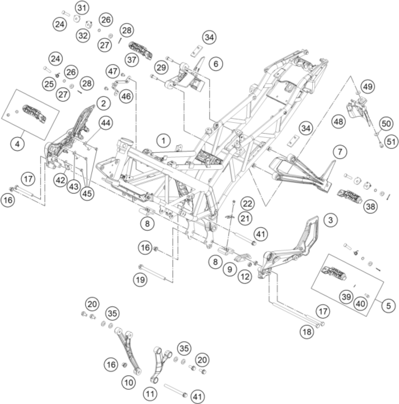
FRAME
KTM RC 200 WHITE W/O ABS B.D. 16 <2016> FRAME Diagram
#
Description
Price
4
footrest front right cpl.
90103041033
Unavailable
5
footrest front left cpl.
90103040033
Unavailable
10
ENGINE SUPPORT R/S
90103006000
Unavailable
11
ENGINE SUPPORT L/S
90103005000
Unavailable
20
HH COLLAR SCREW M8X16 SW14
J011080163
Unavailable
48
SPLASH PROTECTION
93808073000
Unavailable
