- Partiron
- OEM Parts
- Yamaha
- waverunner
- 1996
- RA760U (WAVE RAIDER 760) 1996
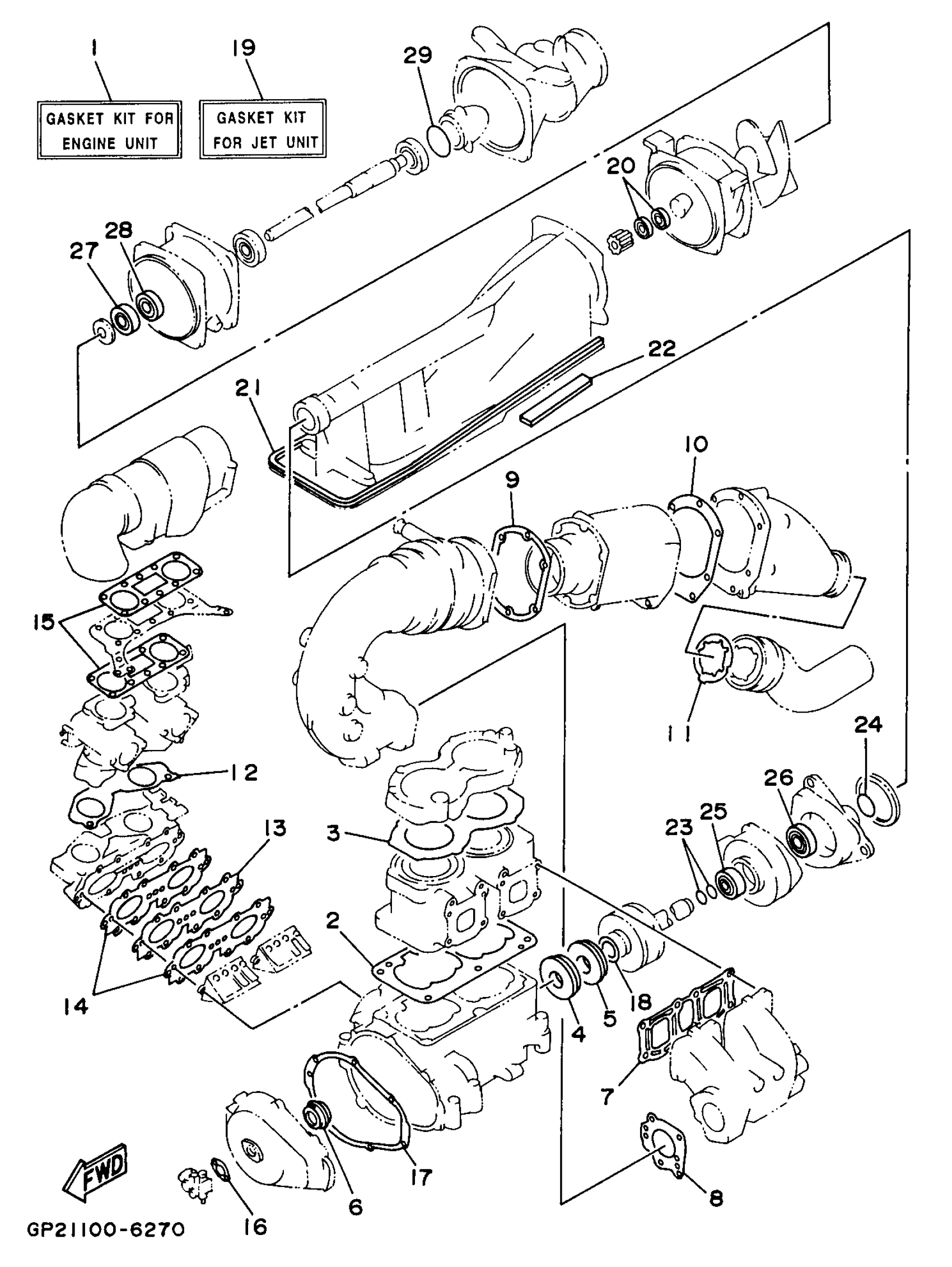
REPAIR KIT 1
Yamaha RA760U (WAVE RAIDER 760) 1996 REPAIR KIT 1 Diagram
#
1
GASKET KIT FOR ENGINE UNIT
64X-W0001-00-00
Unavailable
2
GASKET, CYLINDER
6M6-11351-A2-00
Unavailable
3
GASKET, CYLINDER HEAD
64X-11181-00-00
Unavailable
4
. OIL SEAL
93102-36M33-00
Unavailable
5
. OIL SEAL
93101-36M46-00
Unavailable
6
. OIL SEAL
93103-32M01-00
Unavailable
7
GASKET, EXHAUST PIPE
62T-14613-01-00
Unavailable
8
. GASKET, MUFFLER DAMPER 2
64X-14749-00-00
Unavailable
9
GASKET, EXHAUST OUTER COVER
62T-41114-01-00
Unavailable
10
GASKET, EXHAUST OUTER COVER
64X-41124-01-00
Unavailable
11
. GASKET, EXHAUST PIPE
64X-14623-00-00
Unavailable
12
. GASKET, MANIFOLD
64X-13556-00-00
Unavailable
13
. PLATE,REED VALVE
62T-13624-00-00
Unavailable
14
. GASKET
62T-13566-00-00
Unavailable
15
. GASKET, AIR COOLER COVER 1
64X-13674-00-00
Unavailable
16
. GASKET, PUMP CASE
6R8-13116-A0-00
Unavailable
17
. GASKET, HOLE COVER
6M6-81365-A0-00
Unavailable
18
SEAL
62T-45127-01-00
Unavailable
19
GASKET KIT FOR JET UNIT
63N-W0001-20-00
Unavailable
20
OIL SEAL(6R8)
93102-18M35-00
Unavailable
21
. FELT, PACKING
6R8-51367-01-00
Unavailable
22
. FELT, PACKING
63N-51368-00-00
Unavailable
23
O-RING(6R7)
93210-17MA4-00
Unavailable
24
O-RING
93210-35M72-00
Unavailable
25
OIL SEAL(62T)
93101-25M55-00
Unavailable
26
OIL SEAL
93101-24001-00
Unavailable
27
OIL SEAL(6R7)
93102-25M34-00
Unavailable
28
OIL SEAL(6R7)
93101-25M50-00
Unavailable
29
. O-RING
93210-46M16-00
Unavailable
