- Partiron
- OEM Parts
- Yamaha
- waverunner
- 1995
- RA700AT (WAVE RAIDER DELUXE) 1995
ELECTRICAL 2
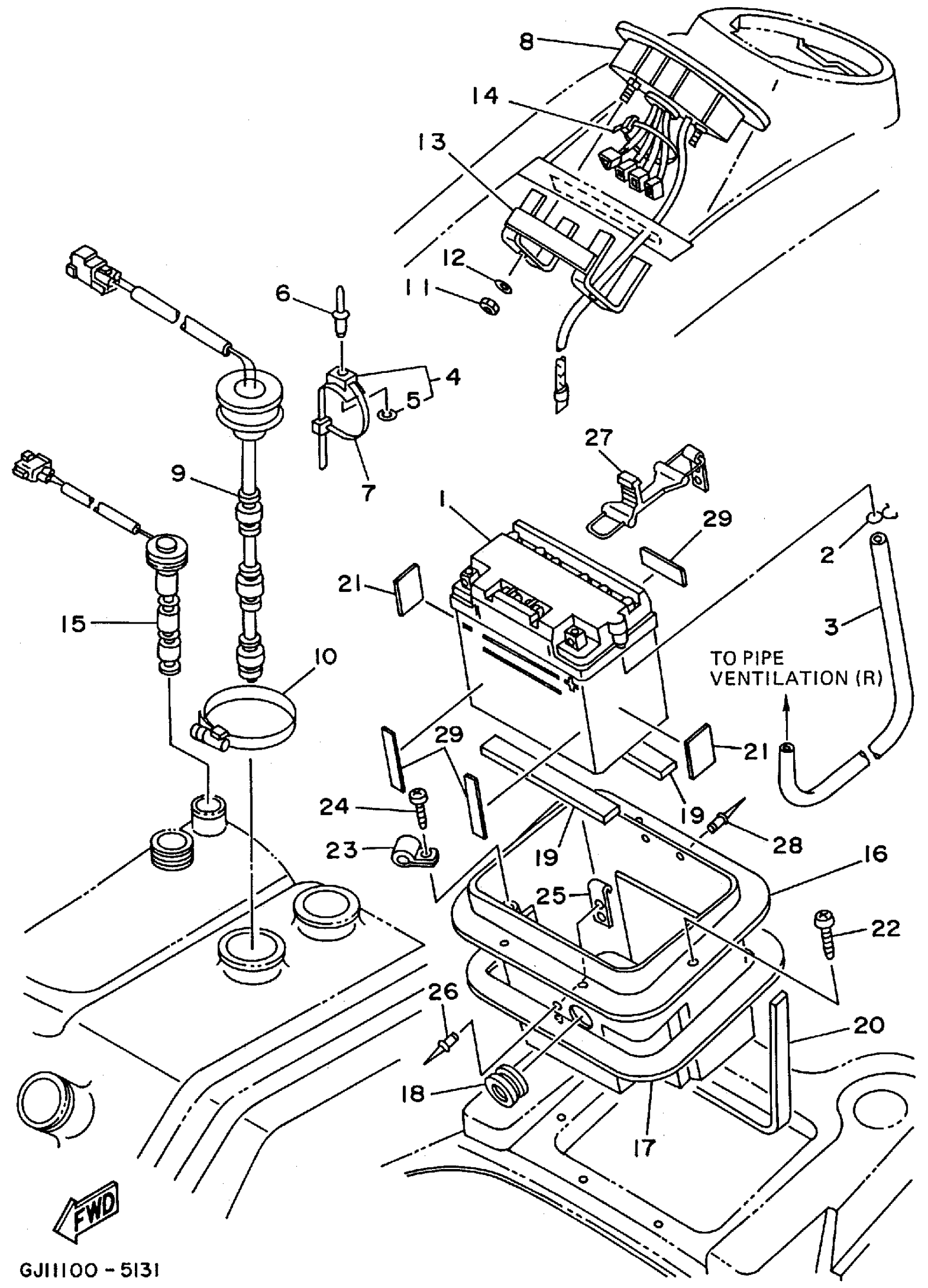
Yamaha RA700AT (WAVE RAIDER DELUXE) 1995 ELECTRICAL 2 Diagram
#
1
YB16CLB YUASA BATTERY
YB1-6CLB0-00-00
Unavailable
2
CLIP
90467-08M10-00
Unavailable
3
HOSE, AIRVENT 3
GE1-U7856-30-00
Unavailable
5
. WASHER, PLAIN
90201-05925-00
Unavailable
6
RIVET, BLIND
90267-48802-00
Unavailable
7
BAND (EU0)
90601-20009-00
Unavailable
8
METER ASY
GH3-6820A-20-00
Unavailable
9
SENDER, FUEL
GJ1-6824B-00-00
Unavailable
10
BAND, HOSE 62
90601-162U5-00
Unavailable
11
NUT, FLANGE
95720-05300-00
Unavailable
12
. WASHER, PLAIN
92990-05200-00
Unavailable
13
BRACKET, METER
GJ1-68238-00-00
Unavailable
14
BAND (EU0)
90601-20009-00
Unavailable
15
SENDER, OIL
GJ1-6824C-01-00
Unavailable
16
BATTERY CASE COMP.
GH6-U8211-00-00
Unavailable
17
PACKING 3
GJ1-6266B-00-00
Unavailable
18
GR0MMET
GH6-6822E-00-00
Unavailable
19
PAD, BATTERY 1
FJ0-68221-00-00
Unavailable
20
PAD, BATTERY 2
FJ0-68221-30-00
Unavailable
21
PAD, BATTERY
GJ1-U8221-00-00
Unavailable
22
SCREW
90149-05984-00
Unavailable
23
CLAMP
90600-913U2-00
Unavailable
24
SCREW, TAPPING
97780-40116-00
Unavailable
25
HOOK A
GA7-65772-00-00
Unavailable
26
RIVET, BLIND
90267-489U7-00
Unavailable
27
HOOK COMP
GJ1-66607-00-00
Unavailable
28
RIVET, BLIND
90267-489U7-00
Unavailable
29
MAT 3
EU0-67593-40-00
Unavailable
