- Partiron
- OEM Parts
- Yamaha
- motorcycle
- 1970
- R5 (R5) 1970
TAILLIGHT R5
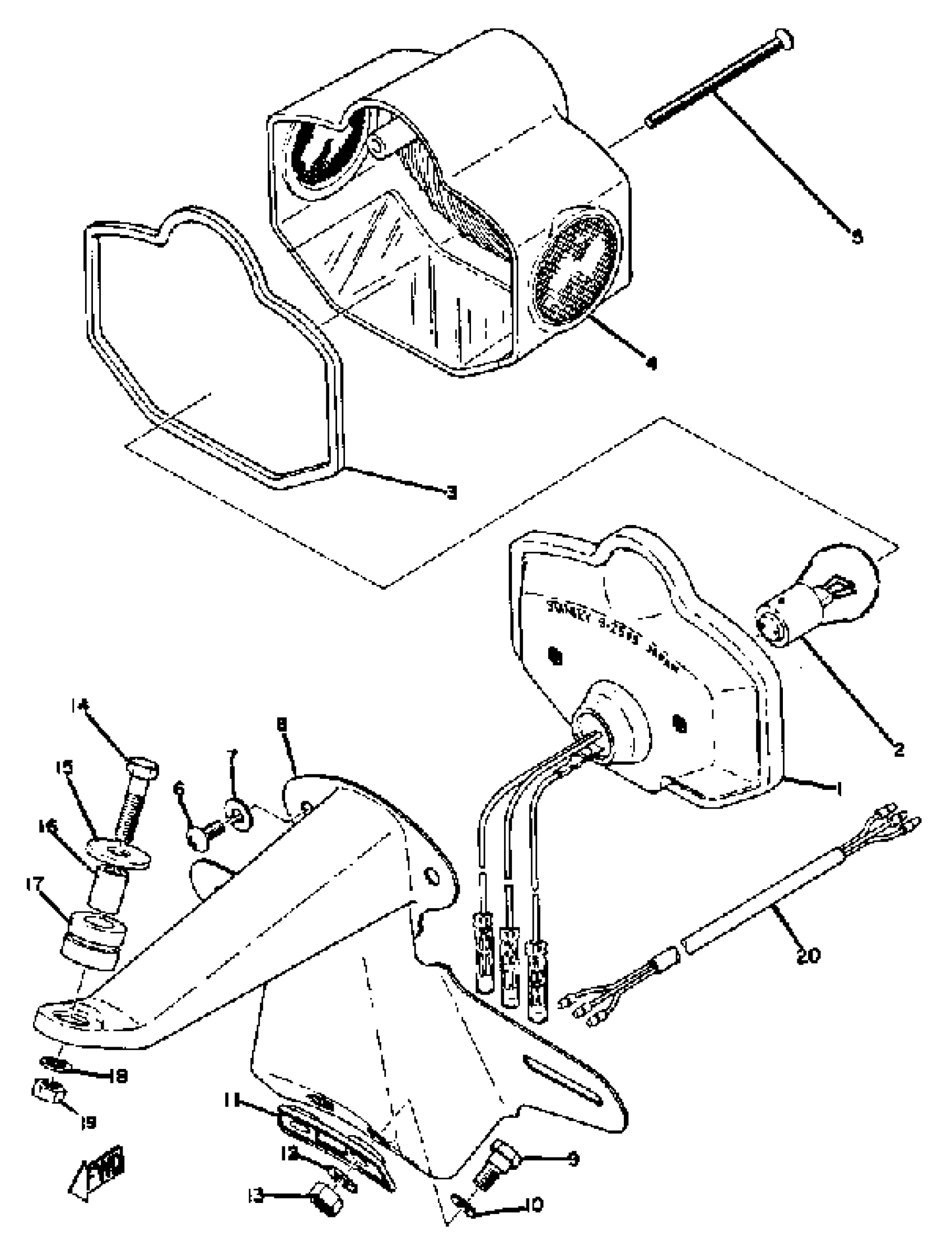
Yamaha R5 (R5) 1970 TAILLIGHT R5 Diagram
#
Description
Price
1
TAILLIGHT UNIT ASSEMBLY
(256-84710-60-00)
Unavailable
1
BASE, TAILLIGHT
(256-84711-60-00)
Unavailable
2
BULB(12V32/3CP)1157
137-84714-61-XX
Unavailable
3
GASKET, TAIL LENS
(256-84723-60-00)
Unavailable
4
LENS, TAILLIGHT
(256-84721-60-00)
Unavailable
5
. SCREW, RIM ADJUSTING
3AA-84331-00-00
Unavailable
7
WASHER, SPRING
92995-06100-00
Unavailable
8
BRACKET, LICENSE
(256-84751-60-35)
Unavailable
9
BOLT 168217380000
90109-06017-00
Unavailable
10
WASHER, PLAIN
92990-08200-00
Unavailable
12
WASHER, SPRING
92995-06100-00
Unavailable
13
NUT, HEXAGON
95380-06600-00
Unavailable
15
WASHER, SPEC''L SHAP (256-21515-00)
90209-06026-00
Unavailable
16
COLLAR (J10)
90387-06026-00
Unavailable
17
GROMMET 839774310000
90480-14023-00
Unavailable
18
WASHER, SPRING
92995-06100-00
Unavailable
19
NUT, HEXAGON
95380-06600-00
Unavailable
20
CORD, TAILLIGHT
251-84517-60-00
Unavailable
