- Partiron
- OEM Parts
- Yamaha
- motorcycle
- 1970
- R5 (R5) 1970
HANDLEBAR - CABLE
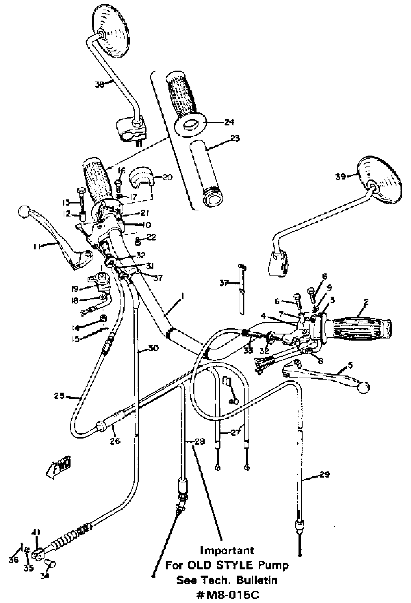
Yamaha R5 (R5) 1970 HANDLEBAR - CABLE Diagram
#
1
LEVER HOLDER ASSY 1
214-82910-07-00
Unavailable
1
HANDLEBAR
2L0-26111-00-00
Unavailable
2
LEVER HOLDER ASSY 2
233-82920-32-00
Unavailable
2
GRIP LH
341-26241-00-00
Unavailable
3
SWITCH, HANDLE 4
235-83972-00-94
Unavailable
9
WASHER, SPRING
92995-06100-00
Unavailable
13
. BOLT
90109-05197-00
Unavailable
14
NUT, SLTED
95307-05900-00
Unavailable
15
. PIN, COTTER
91401-12018-00
Unavailable
17
WASHER, SPRING
92995-06100-00
Unavailable
18
. WASHER, PLAIN
92990-05200-00
Unavailable
19
FRONT STOP SWITCH ASSY
232-83980-30-00
Unavailable
20
CAP, GRIP UPPER
(235-26281-00-00)
Unavailable
21
CAP, GRIP LOWER
235-26282-01-00
Unavailable
22
SCREW, PAN HEAD(4MY)
98507-05018-00
Unavailable
23
TUBE, GUIDE
214-26243-00-00
Unavailable
24
GRIP RH
(306-26242-10-00)
Unavailable
25
CABLE, THROTTLE 1
235-26311-02-00
Unavailable
26
CYLINDER, WIRE
156-26261-01-00
Unavailable
27
CABLE, THROTTLE 2
246-26312-00-00
Unavailable
28
CABLE, PUMP
278-26321-00-00
Unavailable
29
CABLE, CLUTCH
278-26335-00-00
Unavailable
30
CABLE, BRAKE
235-26341-30-00
Unavailable
31
BOLT
90123-08002-00
Unavailable
32
NUT
90179-08030-00
Unavailable
33
BOLT
90123-08002-00
Unavailable
34
PIN W/HOLE 307181180000
90240-08013-00
Unavailable
35
WASHER, PLATE 1562722600
90201-08083-00
Unavailable
36
PIN, COTTER
91490-20025-00
Unavailable
37
BAND, SWITCH CORD
437-83936-01-00
Unavailable
38
MIRROR ASY
253-26290-00-00
Unavailable
39
MIRROR ASSEMBLY LH
253-26290-10-00
Unavailable
40
CLIP, WIRE 2072639100
90468-15009-00
Unavailable
41
JOINT, WIRE
156-26347-00-00
Unavailable
