- Partiron
- OEM Parts
- Yamaha
- motorcycle
- 1970
- R5 (R5) 1970
ELECTRICAL
Yamaha R5 (R5) 1970 ELECTRICAL Diagram
#
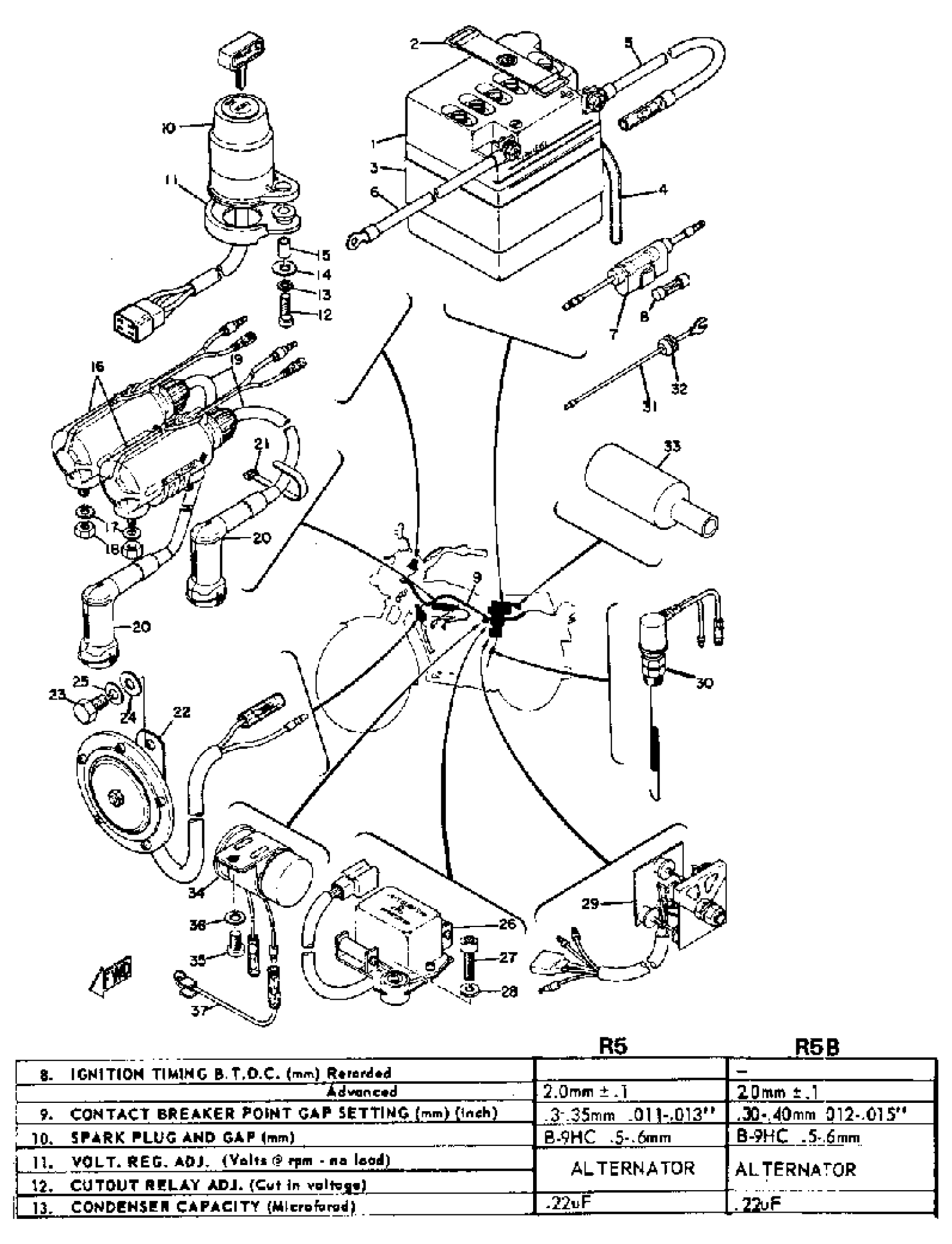
1
CAP, BATTERY
(104-82111-20-00)
Unavailable
1
12N5.5A3B YUASA BATTERY
12N-55A3B-Y0-00
Unavailable
3
BAND, BATTERY
1UA-82124-00-00
Unavailable
5
WIRE, PLUS LEAD
(278-82115-09-00)
Unavailable
6
WIRE, LEAD
558-82116-00-00
Unavailable
7
FUSE HOLDER ASSY
2UJ-82150-02-00
Unavailable
9
WIRE HARNESS ASSEMBLY
(278-82590-40-00)
Unavailable
10
MAIN SWITCH ASSEMBLY (366-82508-30)
256-82508-31-00
Unavailable
11
DAMPER, MAIN SWITCH
(256-82515-00-00)
Unavailable
12
SCREW, PAN HEAD
98580-05020-00
Unavailable
14
WASHER, PLATE (8J0)
90201-05725-00
Unavailable
15
COLLAR 451221260000
90387-05285-00
Unavailable
16
IGNITION COIL ASSEMBLY
254-82310-60-00
Unavailable
17
WASHER, SPRING
92995-06100-00
Unavailable
18
NUT, HEXAGON
95380-06600-00
Unavailable
19
CORD, HIGHT TENSION 1
137-82341-01-00
Unavailable
20
PLUG CAP ASSEMBLY
808-82370-10-00
Unavailable
21
BAND, SWITCH CORD
437-83936-11-00
Unavailable
22
HORN
4L0-83371-30-00
Unavailable
23
BOLT(JA9)
90101-08691-00
Unavailable
24
WASHER, PLAIN
92990-08200-00
Unavailable
25
YBS67-8 WASHER, SPRING
92990-08100-00
Unavailable
26
VOLTAGE REG ASSEMBLY
278-81910-22-00
Unavailable
27
SCREW, PAN HEAD (76T)
98517-06025-00
Unavailable
28
WASHER, SPRING
92995-06100-00
Unavailable
29
RECTIFIER ASSEMBLY
278-81970-21-00
Unavailable
30
STOP SWITCH ASSEMBLY
278-82530-09-00
Unavailable
31
WIRE, LEAD
(164-82541-00-00)
Unavailable
32
GROMMET
90480-01148-00
Unavailable
33
COVER, CONNECTER
(256-82599-00-00)
Unavailable
34
FLASHER RELAY ASSEMBLY
173-83350-70-00
Unavailable
34
FLASHER RELAY ASSEMBLY
278-83350-71-00
Unavailable
35
SCREW, PAN HEAD(62J)
97885-06012-00
Unavailable
36
WASHER, SPRING
92995-06100-00
Unavailable
37
WIRE, EARTH LEAD 1
(214-83354-00-00)
Unavailable
38
WIRE, LEAD 001
(360-82117-00-00)
Unavailable
