- Partiron
- OEM Parts
- Yamaha
- motorcycle
- 1970
- R5 (R5) 1970
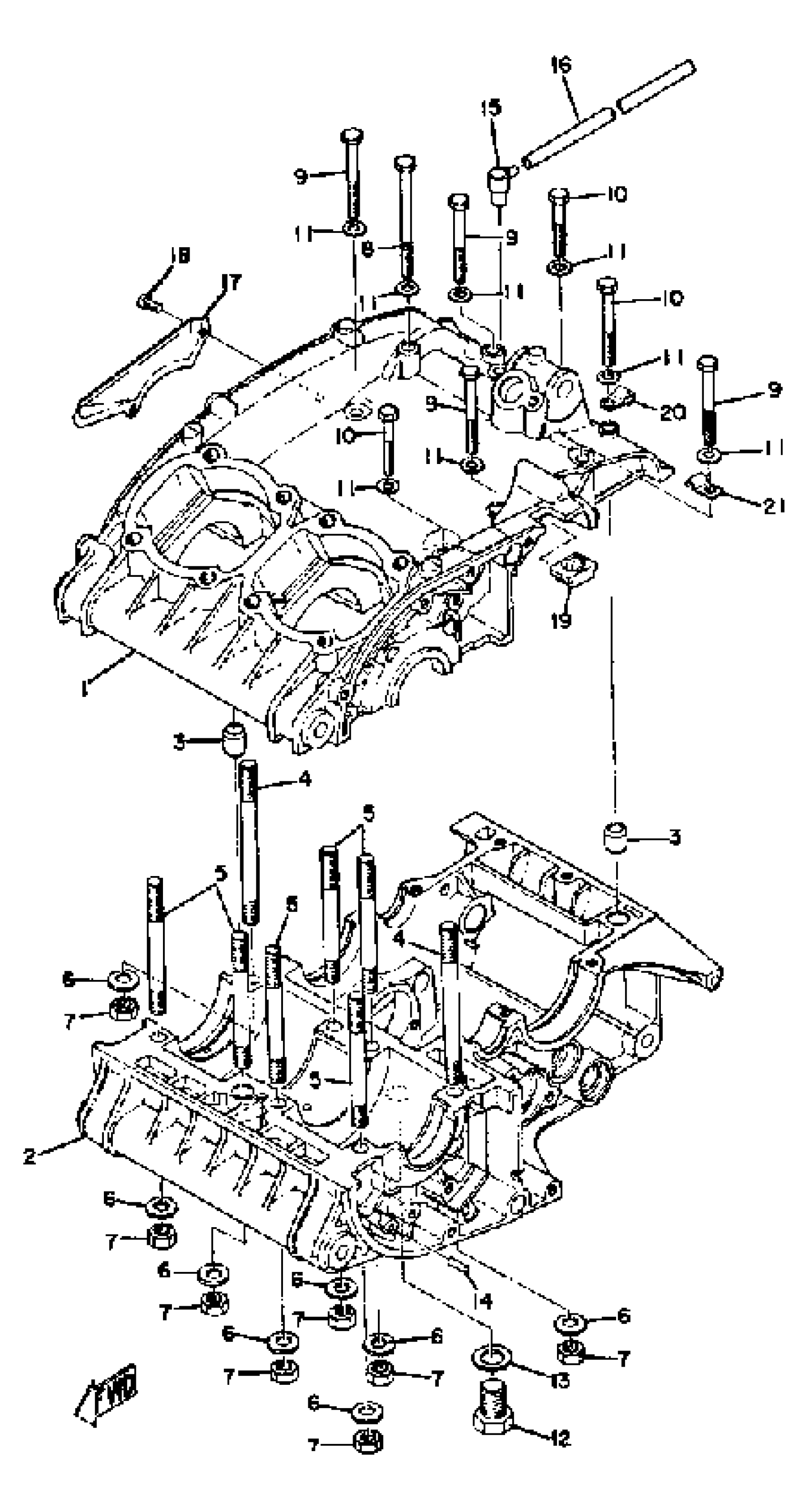
CRANKCASE
Yamaha R5 (R5) 1970 CRANKCASE Diagram
#
Description
Price
1
CRANKCASE ASSEMBLY
(278-15100-02-00)
Unavailable
6
WASHER, PLAIN
92990-08200-00
Unavailable
8
BOLT, HEXAGON
(97321-06085-00)
Unavailable
9
BOLT, HEXAGON W/W DEEP RECESS
97E95-06555-00
Unavailable
17
COVER
278-15492-01-00
Unavailable
18
SCREW, PAN HEAD(62X)
97885-05010-00
Unavailable
19
HOLDER, CLCH CABLE
278-15441-00-00
Unavailable
20
CLAMP
(90462-05012-00)
Unavailable
20
CLAMP
(90462-05012-00)
Unavailable
21
CLAMP 363154850100
90462-05005-00
Unavailable
