- Partiron
- OEM Parts
- Yamaha
- motorcycle
- 1986
- QT50S (YAMAHOPPER) 1986
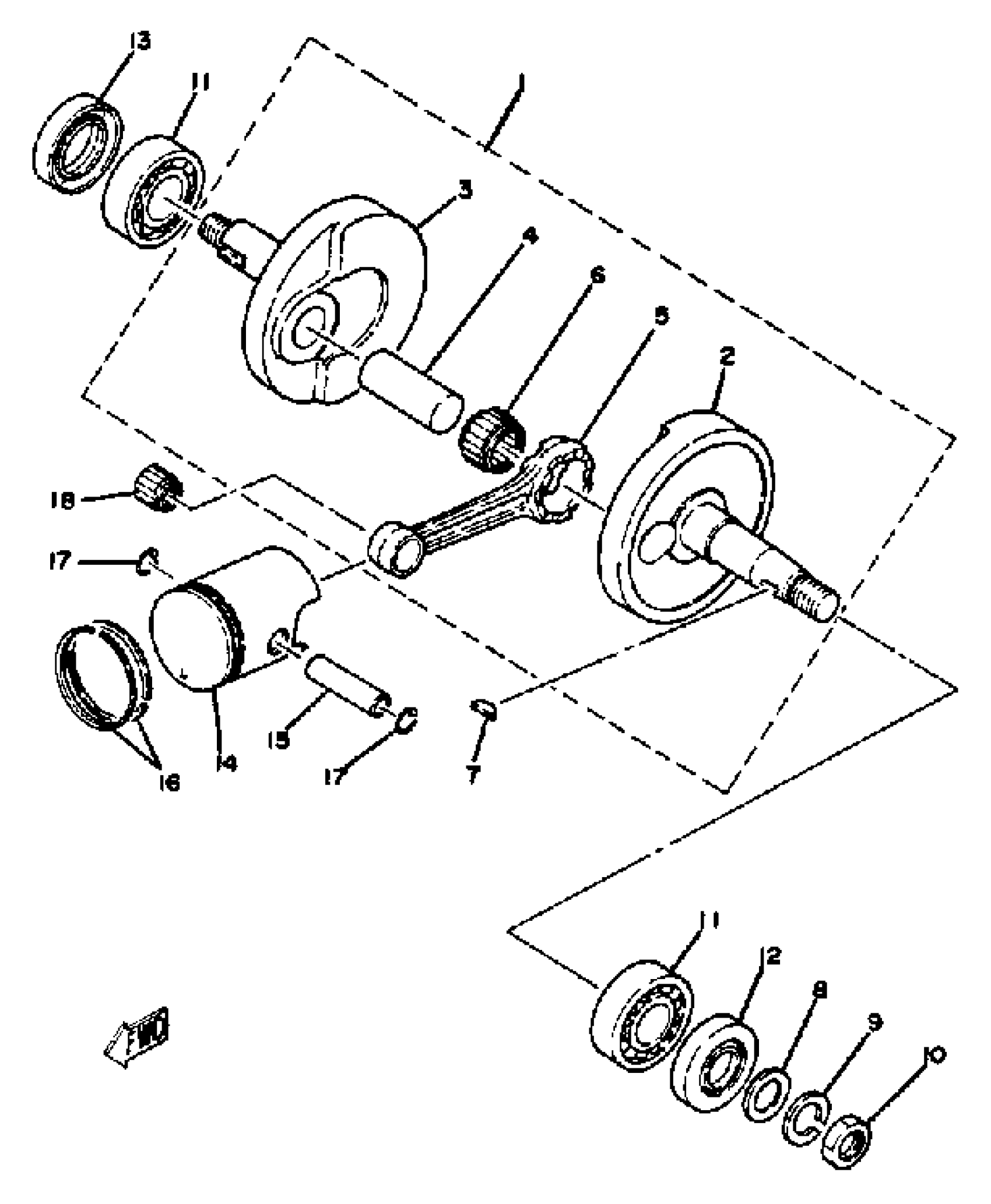
CRANKSHAFT - PISTON
Yamaha QT50S (YAMAHOPPER) 1986 CRANKSHAFT - PISTON Diagram
#
Description
Price
3
CRANK 2
3L5-11422-02-00
Unavailable
4
PIN, CRANK 1
1YU-11681-00-00
Unavailable
5
ROD, CONNECTING
2E9-11651-00-00
Unavailable
14
PISTON (2ND O/S)
18U-11636-00-00
Unavailable
15
PIN, PISTON
3L5-11633-00-00
Unavailable
16
PISTON RING SET (STD)
260-11601-03-00
Unavailable
16
PISTON RING SET (1ST O/S)
260-11601-13-00
Unavailable
16
PISTON RING SET (2ND O/S)
260-11601-23-00
Unavailable
17
CIRCLIP 101116340000
93450-11021-00
Unavailable
18
BEARING (27V)
93310-210M0-00
Unavailable
