Yamaha QT50L (YAMAHOPPER) 1984 STARTER Diagram
#
Description
Price
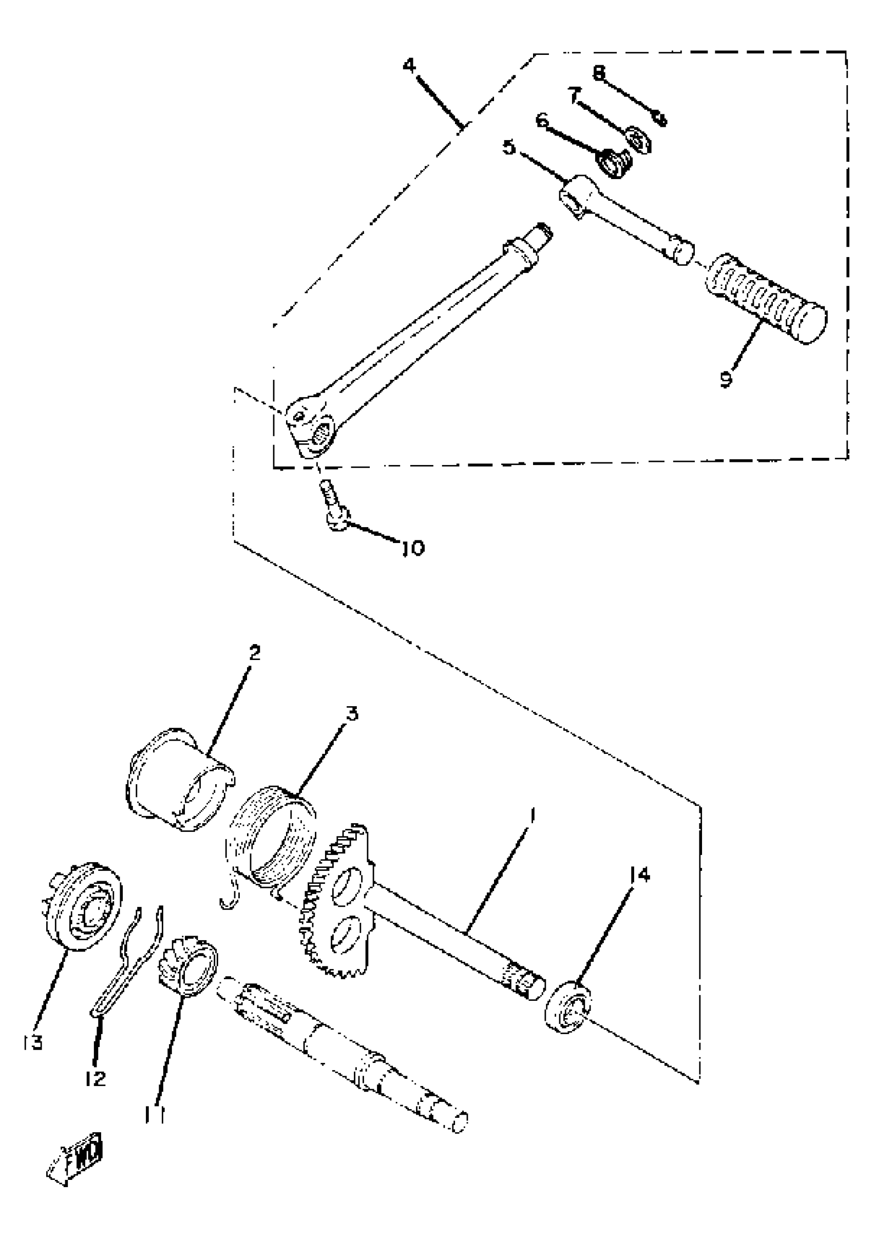
4
KICK CRANK ASSEMBLY
34M-15620-00-00
Unavailable
5
LEVER, KICK
(4K5-15612-00-00)
Unavailable
7
WASHER,SPEC'L SHAPE
90209-10210-00
Unavailable
8
. CIRCLIP, OUTER
93440-10028-00
Unavailable
