- Partiron
- OEM Parts
- Yamaha
- motorcycle
- 1984
- QT50L (YAMAHOPPER) 1984
GENERATOR
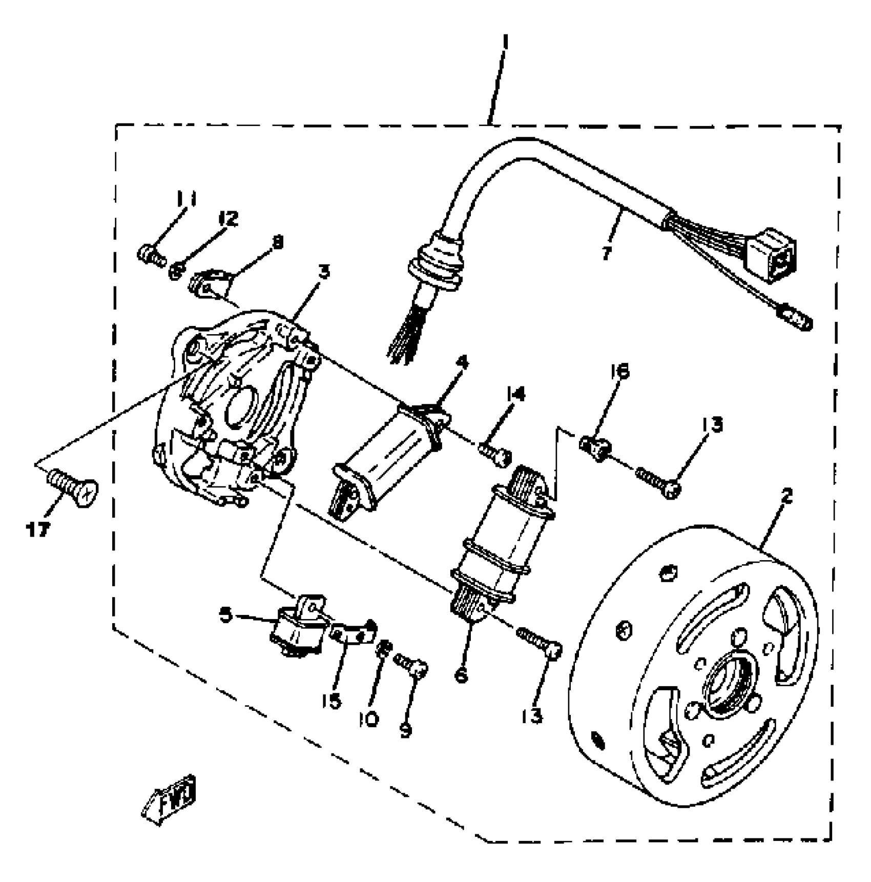
Yamaha QT50L (YAMAHOPPER) 1984 GENERATOR Diagram
#
Description
Price
1
CDI MAGNETO ASSEMBLY
(5U9-85500-M0-00)
Unavailable
2
ROTOR ASSEMBLY
(3L8-85550-M0-00)
Unavailable
3
BASE, MAGNETO
3L5-85561-M1-00
Unavailable
4
COIL, CHARGE
3T5-85520-M2-00
Unavailable
6
. COIL, LIGHTING 1
5N7-81313-M0-00
Unavailable
7
CORD ASSEMBLY
3L8-8131X-M0-00
Unavailable
8
CLAMP (2T4)
90461-05036-00
Unavailable
11
SCREW, PAN HEAD(3XP)
98517-04006-00
Unavailable
13
SCREW, PAN HEAD
98517-04025-00
Unavailable
14
SCREW, PAN HEAD
98511-04012-00
Unavailable
15
TERMINAL, EARTH 1
2T4-85568-M1-00
Unavailable
16
TERMINAL, EARTH 2
2T4-85569-M1-00
Unavailable
17
SCREW, FLAT
98707-06014-00
Unavailable
