- Partiron
- OEM Parts
- Yamaha
- motorcycle
- 1984
- QT50L (YAMAHOPPER) 1984
AIR FILTER
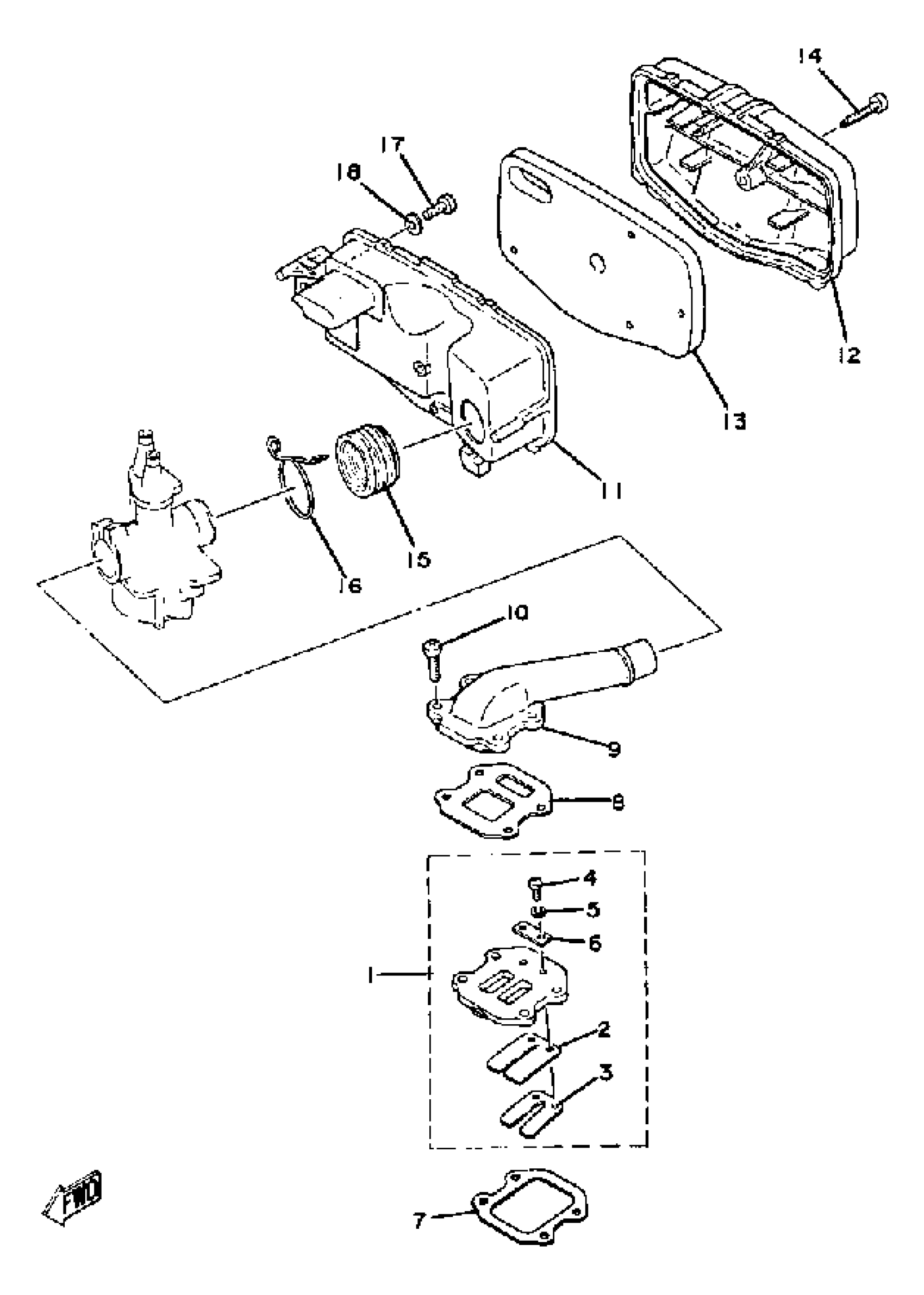
Yamaha QT50L (YAMAHOPPER) 1984 AIR FILTER Diagram
#
Description
Price
6
PLATE, REED VALVE
3L5-13624-00-00
Unavailable
11
AIR FILT CASE ASSEMBLY (3L5-14412-00)
3L5-W1441-00-00
Unavailable
12
AIR FILT CASE ASSEMBLY (3L5-14412-00)
3L5-W1441-00-00
Unavailable
14
YBS83-530 SCREW,PANH.TAPPING
97780-50130-00
Unavailable
16
CLIP 296144550000
90467-20023-00
Unavailable
17
SCREW, PAN
98507-06014-00
Unavailable
18
. WASHER, PLATE
90201-06050-00
Unavailable
