- Partiron
- OEM Parts
- Yamaha
- motorcycle
- 1979
- QT50F (QT50) 1979
DRIVE SHAFT
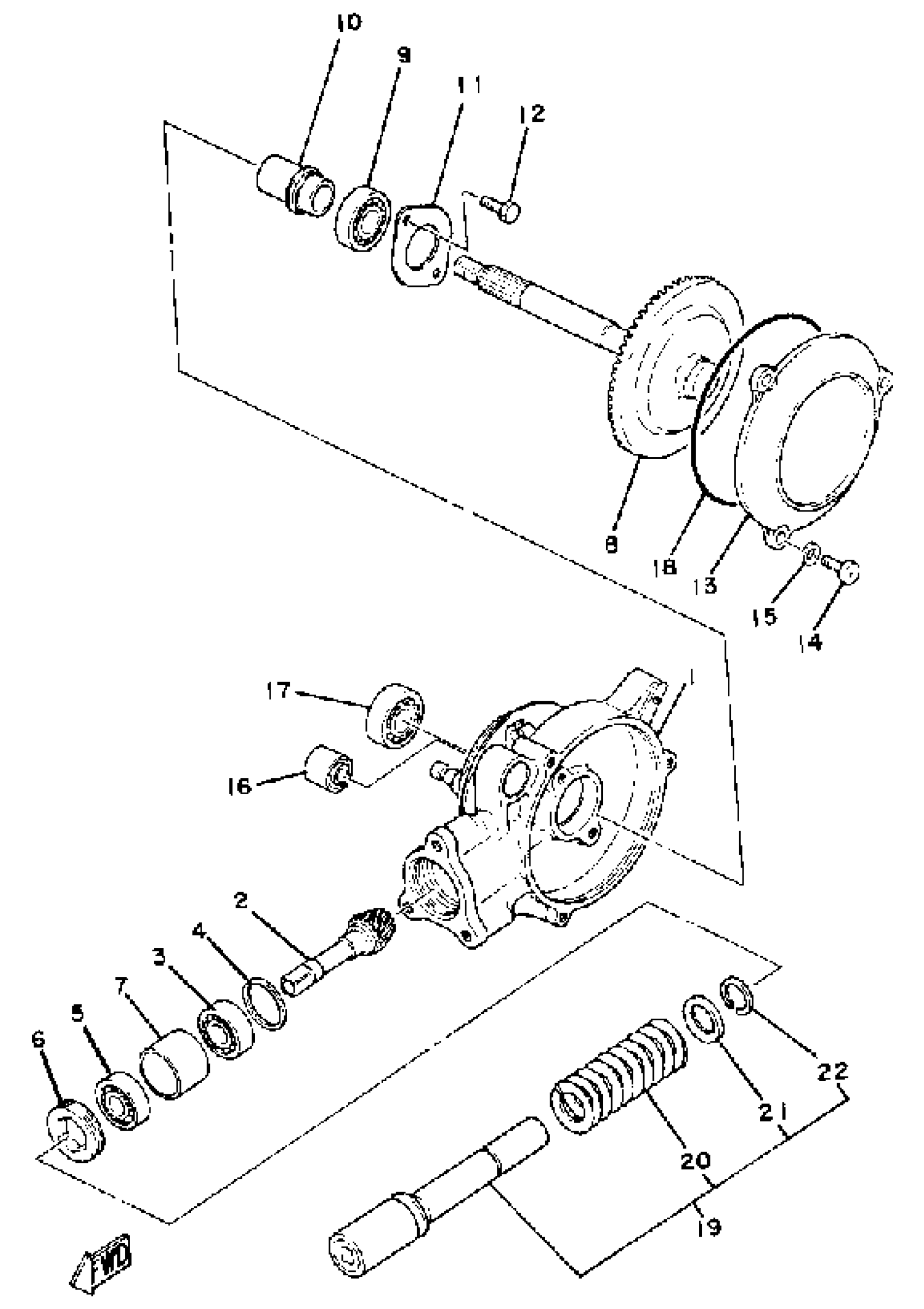
Yamaha QT50F (QT50) 1979 DRIVE SHAFT Diagram
#
Description
Price
1
HOUSING, DR SHAFT
3L5-46151-00-00
Unavailable
2
GEAR, DRIVE PINIONPINION (10T) 000
15L-46121-00-00
Unavailable
8
RING GEAR ASSEMBLY
3L5-46110-00-00
Unavailable
11
PLATE, COVER
3L5-46114-00-00
Unavailable
13
COVER, HOUSING (3L5-46154-02) 000
15L-46154-00-00
Unavailable
15
WASHER, PLAIN (646)
92990-06600-00
Unavailable
16
BUSHING, REAR CUSHION
164-22216-00-00
Unavailable
17
BEARING(3DL)
93306-20226-00
Unavailable
18
O-RING
93211-066A9-00
Unavailable
19
SHAFT DRIVE ASSEMBLY (3L5-46171-00)
15L-46171-00-00
Unavailable
20
SPRING, COMPRESSION (3L5)
90501-60556-00
Unavailable
21
RETAINER, SPRING
15L-18473-00-00
Unavailable
22
CIRCLIP(18U)
93440-17138-00
Unavailable
