- Partiron
- OEM Parts
- Yamaha
- motorcycle
- 1979
- QT50F (QT50) 1979
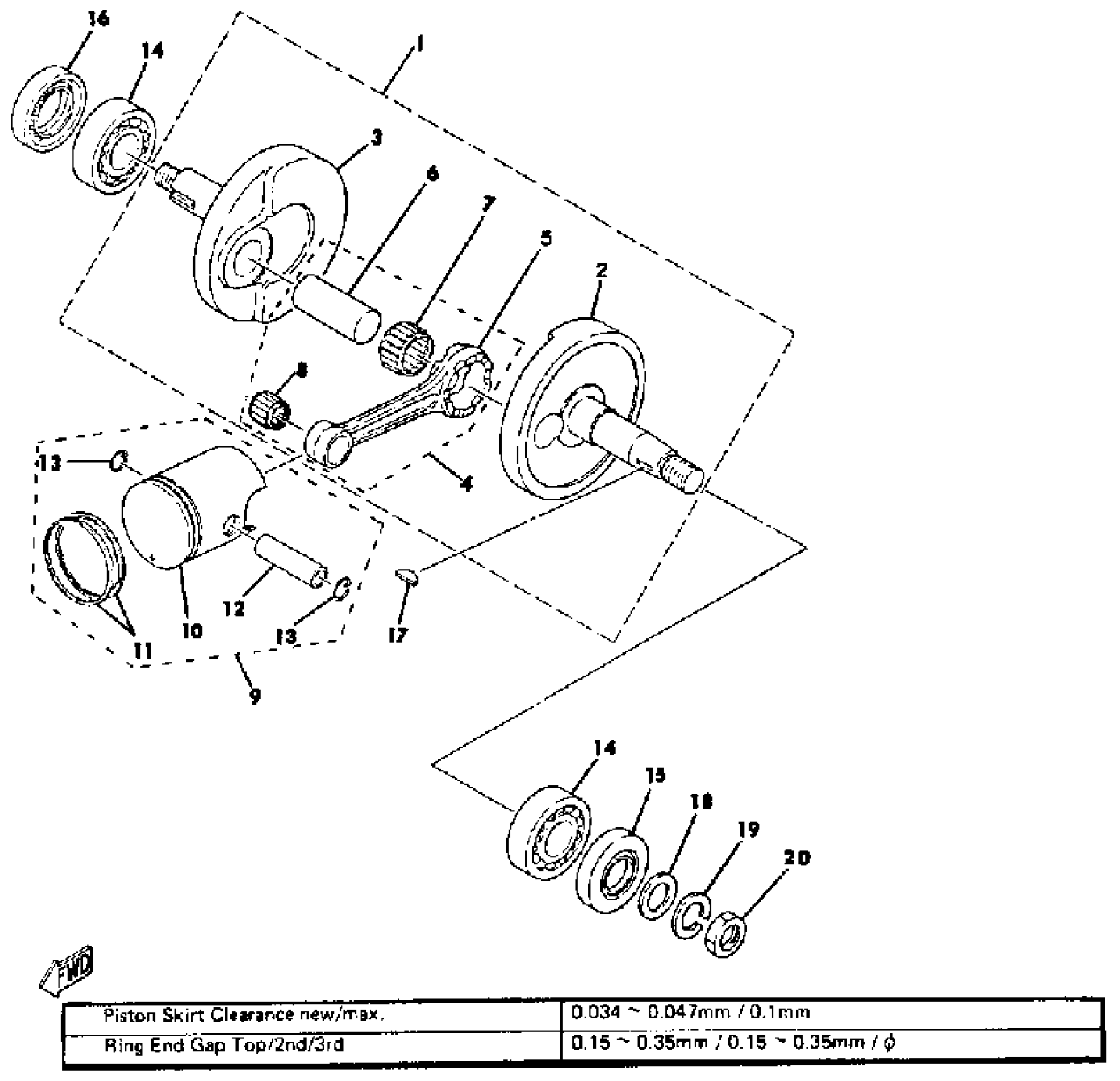
CRANK-PISTON
Yamaha QT50F (QT50) 1979 CRANK-PISTON Diagram
#
Description
Price
3
CRANK 2
3L5-11422-02-00
Unavailable
4
. CONNECTING ROD ASSEMBLYASSY
2E9-11650-00-00
Unavailable
5
ROD, CONNECTING
2E9-11651-00-00
Unavailable
6
PIN, CRANK 1
1YU-11681-00-00
Unavailable
9
PISTON ASSY
3L5-11630-00-00
Unavailable
9
PISTON KIT 1ST
3L5-11630-10-00
Unavailable
9
PISTON KIT 2ND
3L5-11630-20-00
Unavailable
11
PISTON RING SET (1ST O/S)
260-11601-13-00
Unavailable
11
PISTON RING SET (2ND O/S)
260-11601-23-00
Unavailable
12
PIN, PISTON
3L5-11633-00-00
Unavailable
13
CIRCLIP 101116340000
93450-11021-00
Unavailable
14
BEARING(37F)
93306-20335-00
Unavailable
15
OIL SEAL (17X35X7-257)
93102-17067-00
Unavailable
16
OIL SEAL (2E9)
93102-23174-00
Unavailable
17
KEY WOODRUFF 146115450000
90280-03017-00
Unavailable
18
WASHER, PLATE(663)
92990-12600-00
Unavailable
19
YBS67-12 WASHER,SPRING
92990-12100-00
Unavailable
20
NUT, HEXAGON SMALL
95317-12700-00
Unavailable
