Yamaha QT50F (QT50) 1979 CLUTCH Diagram
#
Description
Price
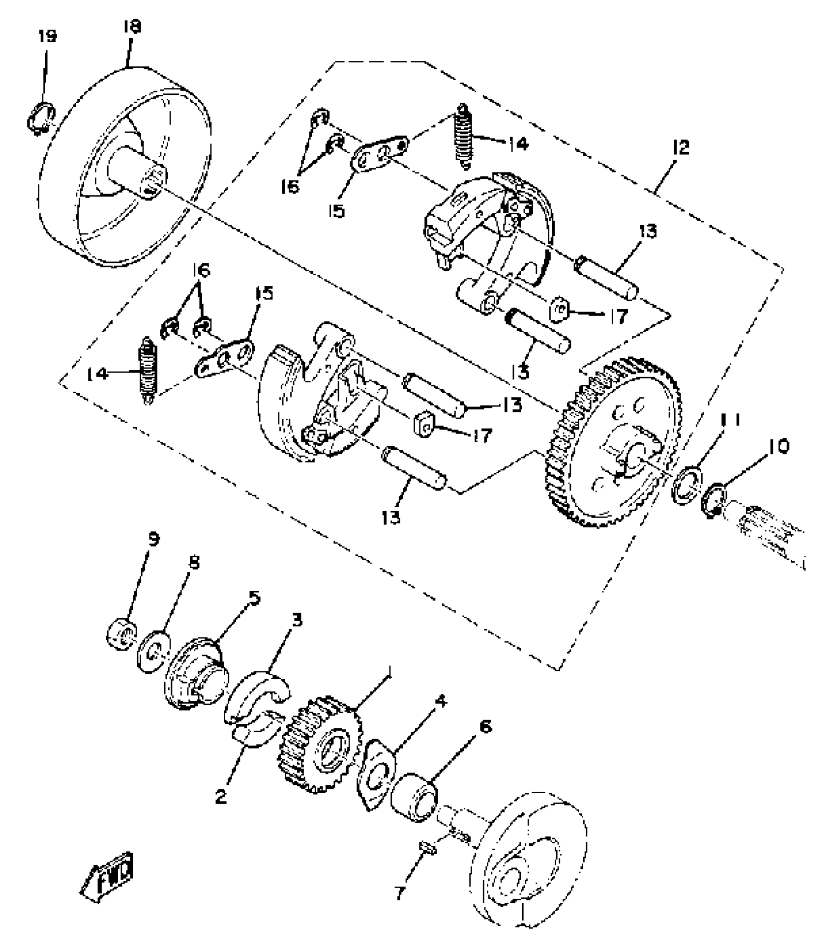
13
SHAFT, CLCH WEIGHT
(3L5-16633-01-00)
Unavailable
15
WASHER
(3L5-16628-01-00)
Unavailable
16
CIRCLIP
99080-07600-00
Unavailable
17
DAMPER, CLUTCH WEIGHT
2T4-16629-01-00
Unavailable
18
CLUTCH HOUSING COMP
3L5-16611-02-00
Unavailable
