Partiron

Yamaha PZ50YO (PHAZER PZ50GTYR PHAZER GT) 8GC5 2009 TRACK DRIVE 1 Diagram

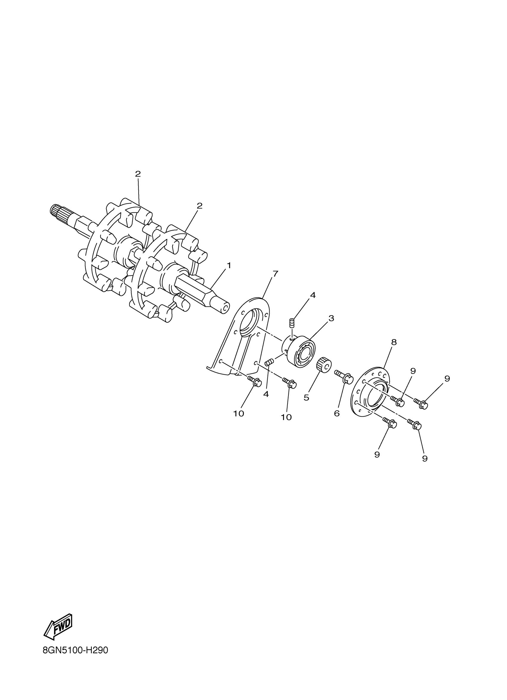
#

Description
Price

1

AXLE, FRONT

8GC-47511-20-00

$282.99

2

WHEEL, SPROCKET 1

8CM-47531-10-00

$145.99

3

BEARING(8CJ)

93306-20589-00

$59.99

4

BOLT, SET

90113-06006-00

$4.29

5

JOINT

8EK-47715-00-00

$35.99

6

BOLT, FLANGE(3GD)

95817-10025-00

$8.49

7

HOUSING, REINF SUB-ASSY(L.H)

8GC-21920-00-00

$17.99

8

HOUSING, FRONT AXLE

8EK-47551-00-00

$10.99

9

BOLT, FLANGE

90105-08168-00

$1.22

10

BOLT, FLANGE(8AB)

95817-08020-00

$9.49